Поворотный коленчатый штуцер с наружной трубной (BSPP) и метрической резьбой никелированный.
-20°C ÷ 80°C
Рабочее давление: 16 бар Отрицательное давление: -750 мм рт. ст.
Сжатый воздух и вакуум.
Конический газ BSPT ISO 7 от R1 / 8” до R1 / 2”
Параллельный газ BSPP ISO 228 от G1 / 8” до G1 / 2”
Метрические ISO 262 M5 и M6
NPT ANSI B 1.20.1 от N1 / 8” до N1 / 2”
UNF ANSI B 1.1 10-32 МКФ
Полиамид, Полиуретан
Корпус: никелированная латунь UNI EN 12164 CW614N & UNI EN 12164 CW617N Воротник: POM Цанга (втулка): никелированная латунь UNI EN 12164 CW614N Уплотнения: NBR без кремния Крепление замка: нержавеющая сталь AISI 301 Заднее кольцо: PBT Стопорное кольцо для поворотных систем: Нержавеющая сталь AISI 302
Продукты в соответствии c директивой 2002/95 / EC
Продукты в соответствии с директива 2011/65 / ЕС
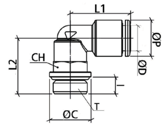
Код
ØD
T
ØP
ØC
I
L1
L2
CH
OTRL04M5
4
M5X0,8
10
7
4
18
15
8
OTRL04G01
4
G1/8"
10
13
5,5
19,5
19
13
OTRL04G02
4
G1/4"
10
16
6,5
19,5
21,5
13
OTRL06M5
6
M5X0,8
12
7
4
19,5
16
8
OTRL06G01
6
G1/8"
12
13
5,5
21
19
13
OTRL06G02
6
G1/4"
12
16
6,5
21
21,5
13
OTRL08G01
8
G1/8"
14
13
5,5
23
19
13
OTRL08G02
8
G1/4"
14
16
6,5
23
21,5
13
OTRL08G03
8
G3/8"
14
20
7,5
23
23
13
OTRL10G02
10
G1/4"
16
16
6,5
26
23
16
OTRL10G03
10
G3/8"
16
20
7,5
26
26
16
OTRL10G04
10
G1/2"
16
25
9
26
27,5
16
OTRL12G02
12
G1/4"
19
16
6,5
31
25,5
20
OTRL12G03
12
G3/8"
19
20
7,5
31
26,5
20
OTRL12G04
12
G1/2"
19
25
9
31
29
20
Запросить в один клик
Заказать звонок
Запрос оборудования на тестирование
?>
Сайт использует файлы cookie, обрабатываемые вашим браузером. Подробнее об этом вы можете узнать в Политике cookie.