Драйвер осуществляет управление одним или двумя электромагнитами пропорционального клапана.
[1] Описание
Его конструкция обеспечивает простой монтаж напрямую на рейке DIN в шкафу электроуправления. При помощи двух селекторных переключателей можно конфигурировать все параметры, без необходимости использования специальных приборов или программирующих устройств.
На 4-разрядном светодиодном дисплее отображается вся
необходимая информация:
- Микропроцессорная структура
- Независимые регулировки (линейное повышение –линейное понижение)
- 4-разрядный светодиодный дисплей
- Индикация и настройка фактических значений (ток и напряжение)
- Простой доступ к настройкам меню
- Широкий диапазон времени линейных изменений
- Простое управление посредством аналогового ввода, локальный подвод эталонного напряжения
- Не требуется теплоотвод
- Электронная схема ограничения/защиты от короткого замыкания
- Защита от обратной полярности посредством ввода команды
- Возможность подсоединения и отсоединения потребителя под напряжением
[2] Код для заказа
(1) UED: Универсальный электронный драйвер для пропорциональных клапанов
(2) Конфигурация:
S: Для пропорциональных клапанов с одним электромагнитом
D: Для пропорциональных клапанов с двумя электромагнитами
[3] Процедура настройки
Варианты выбора входного сигнала UED-S
|
Варианты выбора входного сигнала UED-D
|
|
Миниатюрный DIP-переключатель в положении ON/UP (ВКЛ/ВВЕРХ)
|
«in»: 10 –> (0 – 10 B)** по умолчанию
|
«in»: 10 –> (0 – 10 B)** по умолчанию
|
«in»: 5 –> (0 – 5 B)
|
«in»: 5 –> (0 – 5 B)
|
«in»: 420 –> (4 – 20 мА)
|
«in»: 420 –> (4 – 20 мА)
|
|
|
Миниатюрный DIP-переключатель в положении OFF/Down (ВКЛ/ВНИЗ)
|
|
|
«in»: –10 –> (–10 – 10 B)
|
(1) При повышении мощности на дисплее отображается либо выходной сигнал тока, либо входной сигнал (настройка по умолчанию –индикация выходного сигнала). Десятичная точка начинает мигать.
(2) Для активации режима настройки поверните ручку SELECT (ВЫБОР). На дисплее отображаются сокращенные обозначения параметра.
(3) После перехода к настройке, которую необходимо изменить, поверните ручку ADJUST (НАСТРОЙКА), чтобы увеличить или уменьшить значение.
(4) Чтобы изменить другую настройку, снова поверните ручку SELECT и повторите операцию.
(5) Во время процедуры настройки драйвер находится в полностью функциональном состоянии, все настройки сразу вводятся в действие.
(6) Если новые заданные настройки сохранять не требуется, необходимо отключить драйвер от источника питания до истечения 100 секунд, чтобы восстановить предыдущие настройки.
(1) Для записи новых настроек в память и возврата в нормальный режим работы поворачивайте ручку SELECT, пока на дисплее не появится обозначение «SR», затем либо поверните ручку ADJUST из положения «0» в положение «1», либо подождите в течение 100 секунд.
(2) После сохранения параметров в память начинает мигать десятичная точка, и на дисплее драйвера снова отображается либо выходной сигнал тока, либо входной сигнал, в зависимости от выбора настройки для параметра «di».
(3) Чтобы вернуться к исходному состоянию, можно восстановить заводские настройки вращением ручки SELECT до отображения «rFP», затем поверните ручку ADJUST выше 10 для сброса индикации (ПРИМЕЧАНИЕ: После восстановления заводских настроек на этапа 9 может потребоваться повторный выбор настройки входного сигнала.)
[4] Диапазоны настроек
Параметр
|
Описание
|
Диапазон
настроек
|
Hi *
|
HIGH (МАКС.) Максимальный выходной ток
|
0,20 – 3,00 A
|
Lo *
|
LOW (МИН.) Минимальный выходной ток (см. примечание 1)
|
0,00 – 2,99 A
|
rUP *
|
RUMP UP (ЛИНЕЙНОЕ ПОВЫШЕНИЕ) Время вывода для повышения от минимума
до максимума
|
0,0 – 99,5 с
|
rdn *
|
RUMP DOWN (ЛИНЕЙНОЕ ПОНИЖЕНИЕ) Время вывода для понижения от максимума
до минимума
|
0,0 – 99,5 с
|
|
Cdb
|
COMMAND DEADBAND (МЕРТВАЯ ЗОНА КОМАНДЫ) Вывод блокируется, если командный
сигнал ниже мертвой зоны
|
0 – 5%
|
|
JC
|
JOYSTICK CALIBRATION/ INPUT OFFSET COMPENSATION (КАЛИБРОВКА ДЖОЙСТИКА/
КОМПЕНСАЦИЯ ОТКРЫТИЯ ВВОДА) Средняя точка между a и b на уровне 50%.
|
40% – 50% – 60%
|
dFr
|
DITHER FREQUENCY (ЧАСТОТА ПОДСТРОЙКИ)
|
40 – 450 Гц
|
in
|
INPUT SIGNAL SELECTION (ВЫБОР ВХОДНОГО СИГНАЛА)^
5 – Сигнал напряжения
20 – Сигнал напряжения
420 – Сигнал тока
|
0 – 5 B
0 – 10 B
4 – 20 мА
|
di
|
DISPLAYED SIGNAL FOR TROUBLESHOOTING (ОТОБРАЖАЕМЫЙ СИГНАЛ ДЛЯ
УСТРАНЕНИЯ НЕИСПРАВНОСТЕЙ):
0 – Командный сигнал [B] или [A]
1 – Выходной сигнал [A]
**Мигающая десятичная точка обозначает действующий режим индикации**
– Быстрое мигание десятичной точки, несколько раз в секунду обозначает di = 0
– Медленное мигание десятичной точки, 1 раз в секунду обозначает di = 1
– Не мигающая десятичная точка или отсутствие десятичное точки обозначает
режим SETTING/ADJUST (НАСТРОЙКИ)
|
|
|
SA
|
SAVE SETTINGS (СОХРАНИТЬ НАСТРОЙКИ)
|
|
rFP
|
RESET FACTORY PARAMETERS (ВОССТАНОВИТЬ ЗАВОДСКИЕ ПАРАМЕТРЫ)
(см. примечание 2)
|
|
Err
|
ERROR DETECION STATE (РЕЖИМ ОБНАРУЖЕНИЯ ОШИБОК) Защита от
короткого замыкания, обратной полярности и обнаружение ошибок:
0 – Error 0 – Нет ошибок
1 – Error 1 – Перегрузка по току в драйвере, возможно, вследствие
короткого замыкания в электромагните
2 – Error 2 – Ток превышает значение 20 мА в режиме входного
сигнала 4 – 20 мА
|
|
CLr
|
CLEAR ERROR (ОТМЕНИТЬ ОШИБКУ) Отмена состояния драйвера или
ошибки (см. примечание 2)
|
|
ПРИМЕЧАНИЕ 1
|
При настройке параметров HI и LO следует учитывать, что значение
параметра HI не может быть ниже значения параметра Lo, и значение
LO не может быть выше значения параметра HI.
|
|
|
ПРИМЕЧАНИЕ 2
|
Для использования данной настройки команды задайте значение параметра выше 9.
|
|
ПРИМЕЧАНИЕ 3
|
*Когда сконфигурирован электромагнит a или электромагнит b, значением
параметра In драйвера UED-D будет aHi или bHi (в качестве примера)
|
|
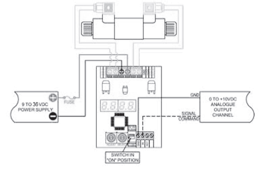
[5] Схема драйвера UED-S
Примечание: Для драйверов с командным входом 0–5 B постоянного тока или 0–10 B постоянного тока рекомендуется использовать независимые отрицательные провода для источника питания и для аналогового выходного канала (ПЛК/ПК), чтобы поддерживать точность командного сигнала в случае перепада напряжения в кабелях большой длины.
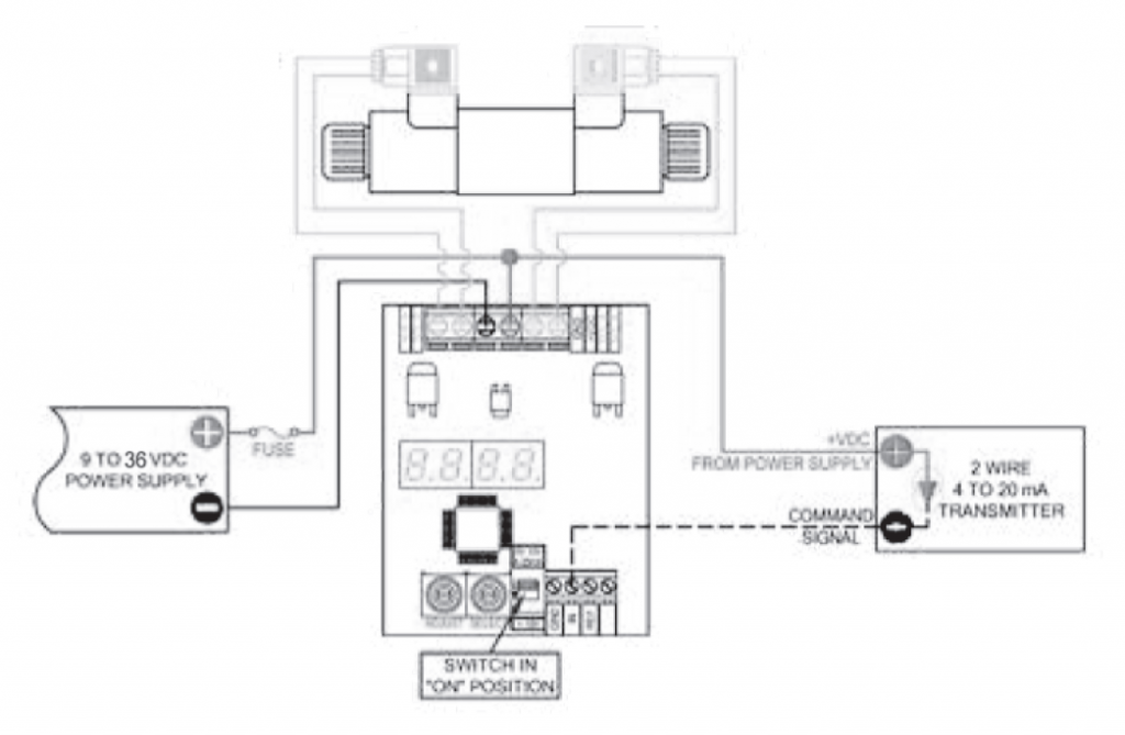
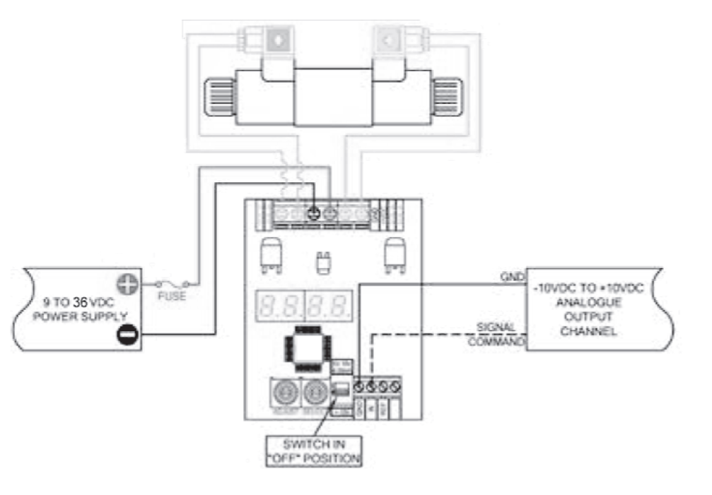
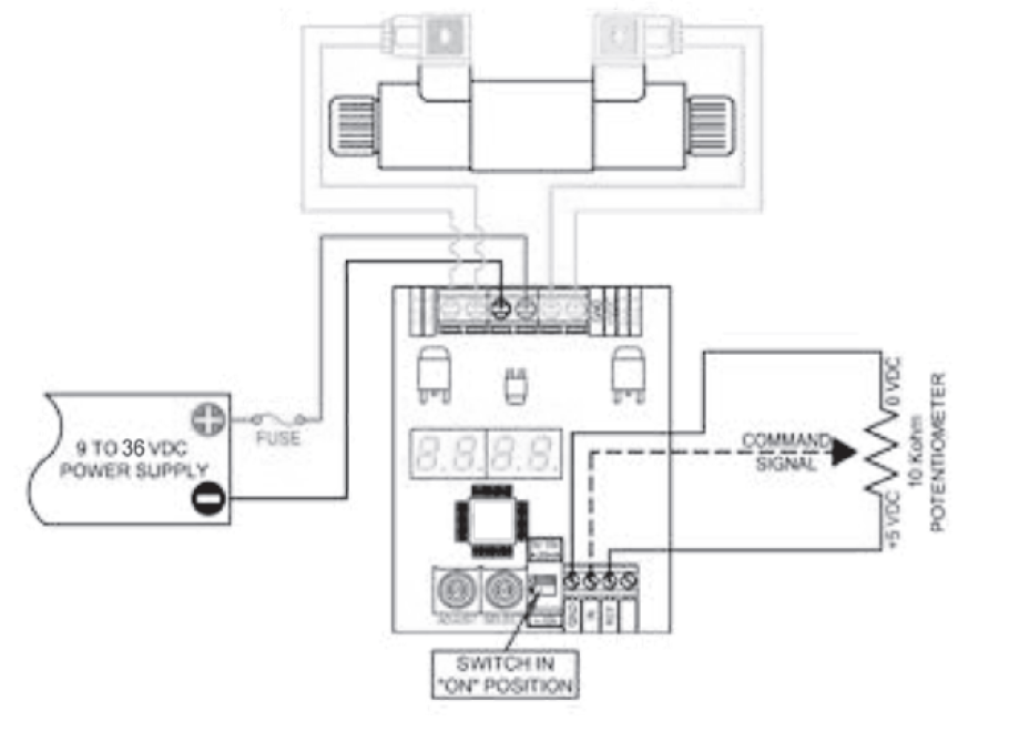
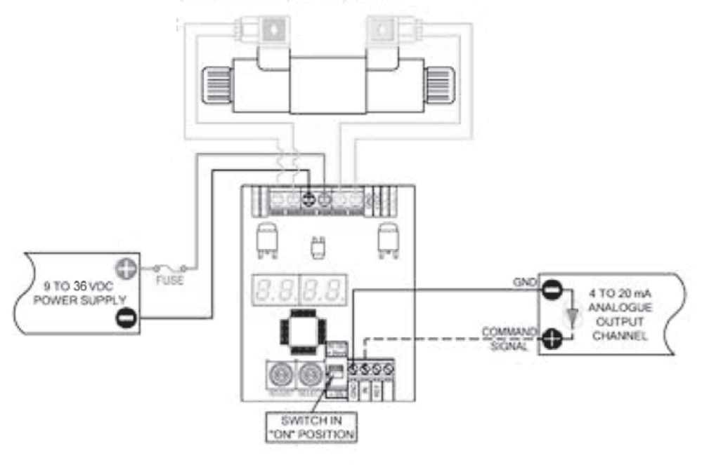
[6] Схема драйвера UED-D
1) Соединение внешнего сигнала ввода ( настройка in=10)
2) Соединение потенциометра ( настройка in=5)
3) Соединение внешнего сигнала ввода ( настройка in= 5)
4) Двухпроводное соединение входа передатчика ( настройка in= 420)
5) Соединение внешнего сигнала ввода ( настройка in= 5)
Примечание: Для драйверов с командным входом 0–5 B постоянного тока или 0–10 B постоянного тока рекомендуется использовать независимые отрицательные провода для источника питания и для аналогового выходного канала (ПЛК/ПК), чтобы поддерживать точность командного сигнала в случае перепада напряжения в кабелях большой длины.
[7] Настройки UED-S
Настройка максимума:
(High)/ параметр Hi
Максимальный выход тока 0,20–3,00 A
Настройка минимума:
(Low)/ параметр Lo
Минимальный выход тока 0,00–2,99 A
Настройка линейного повышения: (Ramp up)/ параметр rUP
Время вывода для повышения от минимума до максимума 0–99,5 с
Настройка линейного повышения:
(Ramp down)/ параметр rdn
Время вывода для повышения от минимума
до максимума 0–99,5 с
Настройка (Мертвая зона команды)/ параметр Cdb
Вывод блокируется, если командный сигнал ниже мертвой зоны 0–5% макс. командного сигнала
Частота подстройки/ параметр dFr
Настройка частоты в диапазоне 40–450 Гц
[8] Настройки UED-D
Данный продукт разработан и испытан в соответствии с определенными стандартами, перечисленными в директиве по электромагнитной совместимости 2004/108/ЕС (EMC).
Эмиссия: EN 61000-6-4:2007
Помехоустойчивость: EN 61000-6-2: 2005, EN 61000-4-2, EN 61000-4-4, EN 61000 4-6