Предохранительный клапан с электромагнитным пропорциональным управлением 7/8’’ 14 UNF.
[1] Описание
Клапан поставляется в двух конфигурациях: стандартная, когда без подачи электрического тока в системе нет давления, и положительная, когда без подачи электрического тока в системе поддерживается требуемое давление.
Клапаны поставляются, как правило, с катушками со встроенным гасящим диодом для защиты электроники, соединенной с клапаном.
[2] Код для заказа
|
(1)
|
(2)
|
|
(3)
|
|
(4)
|
|
(5)
|
(6)
|
|
PMO
|
|
—
|
78
|
/
|
|
—
|
|
|
(1) PMO: Пропорциональный предохранительный клапан
(2) Функция:
Без обозначения: Стандартная (разгрузка 0 бар при нулевом токе)
P: Положительная (разгрузка 180 бар при нулевом токе)
(3) 78: Камера SAE10 (7/8” 14 UNF)
Без обозначения: Стандартная (разгрузка 0 бар при нулевом токе)
P: Положительная (разгрузка 180 бар при нулевом токе)
(4) Диапазон давлений:
12: до 120 бар (1740 фунтов/кв. дюйм)
21: до 210 бар (3046 фунтов/кв. дюйм)
35: до 350 бар (5076 фунтов/кв. дюйм)
(5) Электрическое напряжение и электромагнитные катушки:
012C: Катушка (катушки) для 12 B постоянного тока с гасящим диодом
024C: Катушка (катушки) для 24 B постоянного тока с гасящим диодом
(6) Соединение катушки
Без обозначения: DIN 43650-A / ISO 4400
AMP: Amp Junior Timer
D: Deutsch (Немецкий стандарт) DT04-2P
Клапан предназначен для непрерывной регулировки давления в контуре. Управление клапаном осуществляется на
стадии управления. Повышается/понижается давление P в системе пропорционально возбуждающему току в электромагните. Для автоматического освобождения воздуха из клапана рекомендуется устанавливать клапан в вертикальном положении с катушкой в нижней части. Если это невозможно, следует задействовать стравливающий винт, чтобы обеспечить надлежащее функционирование клапана.
[3] Типовые графики
Типовые кривые P-Q для клапанов PMO*.78 в стандартной конфигурации, с минеральным маслом при ѵ = 32 мм2/с и T = 40°C.
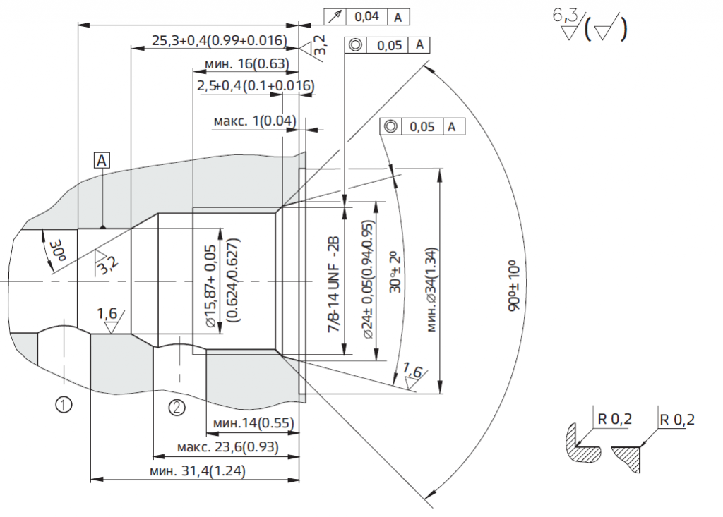
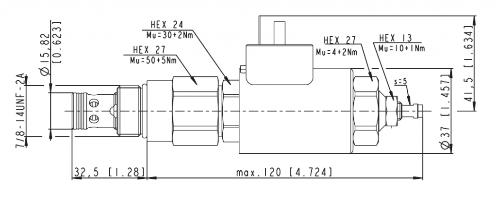
[4] Установочные размеры (мм)
[5] Гидравлические жидкости
Уплотнения и материалы, используемые в стандартных клапанах PMO*.78, полностью совместимы с гидравлическими жидкостями на основе минеральных масел, обогащенных противовспенивающими и противоокислительными присадками. Следует использовать очищенную и фильтрованную гидравлическую жидкость согласно стандарту ISO 4406, класс 19/17/14 или выше, в рекомендуемом диапазоне вязкости от 10 сСт до 60 сСт