Предохранительный клапан с пилотным управлением модульного монтажа. Клапан изготовлен из стального корпуса, скомби- нированного с картриджным клапаном разгрузки давления для стабильной регулировки давления.
Корпус клапана с покрытием никель-фосфор. Оцинкованный картриджный клапан. Предусмотрены различные диапазоны установленного давления.
[1] Код для заказа
|
(1)
|
|
(2)
|
|
(3)
|
|
(4)
|
|
(5)
|
|
(6)
|
|
(7)
|
|
AMS
|
—
|
MP
|
—
|
|
/
|
|
—
|
|
—
|
|
/
|
10
|
(1) AM5: Модульный клапан CETOP 05 – давление 32 МПа (320 бар)
(2) MP: Клапан разгрузки давления с (гидравлическим) пилотным управлением
(3) Рабочие линии, в которых установлен клапан:
P: Разгрузка в линии P и слив в T
A: Разгрузка в линии A и слив в T
BA: Независимая разгрузка в линии B и в линии A и слив в T
AB: Разгрузка в линии A и в линии B с перекрестным нагнетанием
(4) Диапазоны регулировки давления:
6,3: от 10 бар до 70 бар
12,5: от 10 бар до 140 бар
20: от 20 бар до 210 бар
30: от 20 до 320 бар
(5) Диапазон регулировки давления для разгрузки в линии A (только для моделей AM5-MP-BA) или для разгрузки давления в линии B (для моделей AM5-MP-AB)
(6) Код, зарезервированный для опций и вариантов
(7) Номер (порядковый) конструкции клапанов
Золотник 1 смещается в корпус клапана 7 под действием пружин и электромагнитов 2 и 3. Золотник 1, в зависимости от его формы и положения в корпусе клапана 7, открывает и/или закрывает проходы между портами P, A, B и T, за счет чего регулируется направление гидравлического потока. В случае отключения электроэнергии золотник можно перемещать вручную при помощи штифтов ручного управления 9, расположенных на торцевой стороне электромагнитов и доступных посредством зажимных гаек.
[2] Типовые графики
Типовые кривые Δp-Q для клапанов AM5-CP-AB в стандартной конфигурации, с минеральным маслом при 36 сСт и 50°C.
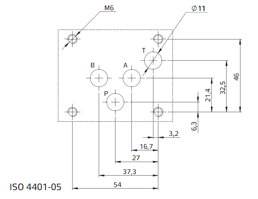
Все модульные клапаны AM5-MP-* соответствуют стандартам ISO и CETOP для размеров монтажных поверхностей (см. также первую страницу) и для высоты клапанов (50 мм). Утечка между клапаном и монтажной поверхностью предотвращается посредством полного прижима к седлам 5 уплотнений (типа OR 2050).
[3] Гидравлические жидкости
Уплотнения и материалы, используемые в стандартных ,клапанах AM5-*, полностью совместимы с гидравлическими
жидкостями на основе минеральных масел, обогащенных противовспенивающими и противоокислительными присадками. Следует использовать очищенную и фильтрованную гидравлическую жидкость согласно стандарту ISO 4406, класс 19/17/14 или выше, в рекомендуемом диапазоне вязкости – от 10 сСт до 60 сСт.
[4] Установочные размеры (мм)