Код заказа
Поз. 1
|
Без кода
|
F
|
Q
|
W
|
Монтажный фланец
|
Овальный фланец, два отверстия
|
Овальный фланец, четыре отверстия
|
Квадратный фланец, четыре болта
|
Колесный монтаж
|
|
Поз. 2
|
Без кода
|
N
|
Опционально (игольчатые подшипники)
|
Отсутствует
|
С игольчатыми подшипниками
|
|
Поз. 3
|
Без кода
|
E
|
Расположение отверстий
|
Боковые отверстия
|
Задние отверстия
|
|
Поз. 4
|
25*
|
32*
|
40*
|
50
|
80
|
100
|
125
|
Код рабочего объема
|
25,0 см3 /об
|
32,0 см3/об
|
40,0 см3 /об
|
49,5 см3 /об
|
79,2 см3 /об
|
99,0 см3 /об
|
123,8 см3 /об
|
|
Поз. 4
|
160
|
200
|
250
|
315
|
400
|
500
|
630
|
Код рабочего объема
|
158,4 см3 /об
|
198,0 см3 /об
|
247,5 см3 /об
|
316,8 см3 /об
|
396,0 см3 /об
|
495,0 см3 /об
|
623,6 см3 /об
|
|
Поз. 5
|
C
|
VC
|
CO
|
VCO
|
SH
|
VSH
|
K
|
|
Параметры вала **
|
Ø25 цилиндрический, Призматическая шпонка A8x7x32 DIN 6885
|
Ø25 цилиндрический, Призматическая шпонка A8x7x32 DIN 6885 с коррозионно-устойчивой втулкой
|
Ø1 цилиндрический, Призматическая шпонка ¼’’x ¼’’x1 ¼’’ Bs46
|
Ø1 цилиндрический, Призматическая шпонка ¼’’x ¼’’x1 ¼’’ Bs46 с коррозионно-устойчивой втулкой
|
Ø25,32 шлицевой Bs2059 (SAE6B)
|
Ø25,32 шлицевой Bs2059 (SAE6B) с коррозионно-устойчивым вкладышем
|
Ø28,56 конический 1:10, Призматическая шпонка B5x5x14 DIN 6885
|
Поз. 5
|
SA
|
VSA
|
CB
|
KB
|
SB
|
OB
|
HB
|
Параметры вала **
|
Ø24,5 шлицевой B25x22 DIN5482
|
Ø24,5 шлицевой B25x22 DIN5482 с коррозионно-устойчивой втулкой
|
Ø32 цилиндрический, Призматическая шпонка A10x8x45 DIN 6885
|
Ø35 конический 1:10, Призматическая шпонка B6x6x20 DIN 6885
|
шлицевой A25x22 DIN5482
|
Ø1¼’’ конический 1:8, Призматическая шпонка 5/16”x5/16”x1 ¼’’ Bs46
|
Ø1¼’’ шлицевой 14T ANSI B92.1 - 1976
|
|
Поз. 6
|
Без кода
|
D
|
U
|
Вариант исполнения уплотнения вала
|
Уплотнение вала низкого давления или стандартное уплотнение вала для вала типа «…B»
|
стандартное уплотнение вала
|
Уплотнение вала высокого давления (без обратных клапанов)
|
|
Поз. 7
|
Без кода
|
1
|
Сливное отверстие
|
со сливным отверстием
|
без сливного отверстия
|
|
Поз. 8
|
Без кода
|
M
|
|
Отверстия
|
BSPP (ISO228)
|
Метрическое (ISO262)
|
|
Поз. 9
|
|
|
|
|
|
|
|
|
Особые характеристики
|
|
|
|
|
|
|
|
|
Поз. 10
|
Без кода
|
Модель
|
Указывается заводом
|
Расположение отверстий
|
|
S
|
|
Боковые отверстия
|
Задние отверстия
|

|

|
С : 4 х М8—13 мм, глубина
Р (А,В) : 2х G 1/2 or 2x M22 x 1,5—15 мм, глубина
T : G 1/4 or M14{1,5—12 мм, глубина
|
Монтаж
|
|
F
|
|
Овальный фланец (2 отверстия)
|
Овальный фланец (4 отверстия)
|
|

|
|
Q
|

|
Квадратный фланец (4 болта)
|
|
Выступающие части вала
|
|
C
|
CK
|
Ø25 цилиндрический, Призматическая шпонка A8x7x32 DIN 6885
Макс. крутящий момент 34 даН.м
|
Ø32 цилиндрический, Призматическая шпонка A10x6x45 DIN 6885
Макс. крутящий момент 77 даН.м
|

|

|
|
SH
|
|
Ø 16,5 шлицевой, B17x14 DIN 5482 Макс. крутящий момент 4
|
|

|

|
|
K
|

|
конический,1:10 Призматическая шпонка B5x5x14 DIN 6885
Макс. крутящий момент 40 даН.м
|
Тип
|
L mm
|
Тип
|
L mm
|
Тип
|
L mm
|
Тип
|
L mm
|
L1 mm
|
|
MP(F) 25
|
134,0
|
MPQ 25
|
140,5
|
MP(F) E 25
|
151,5
|
MPQE 25
|
158.0
|
5.20
|
MP(F) 32
|
135,0
|
MPQ 32
|
141,5
|
MP(F) E32
|
152,5
|
MPQE 32
|
159.0
|
6.30
|
MP(F) 40
|
136,5
|
MPQ 40
|
142,5
|
MP(F) E40
|
154,0
|
MPQE 40
|
160.0
|
7.40
|
MP(F) 50
|
135,5
|
MPQ 50
|
142,0
|
MP(F) E50
|
153,0
|
MPQE 50
|
159.5
|
6.67
|
MP(F) 80
|
139,5
|
MPQ 80
|
146,0
|
MP(F) E80
|
157,0
|
MPQE 80
|
163.0
|
10.67
|
MP(F) 100
|
142,0
|
MPQ 100
|
148,5
|
MP(F) 100
|
160,0
|
MPQE 100
|
166.0
|
13.33
|
MP(F) 125
|
145,5
|
MPQ 125
|
152,0
|
MP(F) 125
|
163,0
|
MPQE 125
|
169.5
|
16.67
|
MP(F) 160
|
150,0
|
MPQ 160
|
156,5
|
MP(F) 160
|
168,0
|
MPQE 160
|
147.0
|
21.67
|
MP(F) 200
|
155,5
|
MPQ 200
|
162,0
|
MP(F) 200
|
173,0
|
MPQE 200
|
179.0
|
26.67
|
MP(F) 250
|
162,0
|
MPQ 250
|
168,5
|
MP(F) 250
|
180,0
|
MPQE 250
|
195.5
|
33.33
|
MP(F) 315
|
171,5
|
MPQ 315
|
178,0
|
MP(F) 315
|
189,0
|
MPQE 315
|
195.5
|
42.67
|
MP(F) 400
|
182,0
|
MPQ 400
|
188,5
|
MP(F) 400
|
200,0
|
MPQE 400
|
206.5
|
53.33
|
MP(F) 500
|
195,5
|
MPQ 500
|
202,0
|
MP(F) 500
|
213,0
|
MPQE 500
|
219.5
|
66.63
|
MP(F) 630
|
213,0
|
MPQ 630
|
219,0
|
MP(F) 630
|
230,5
|
MPQE 630
|
236.5
|
84.00
|
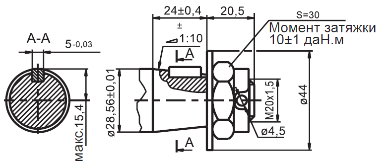
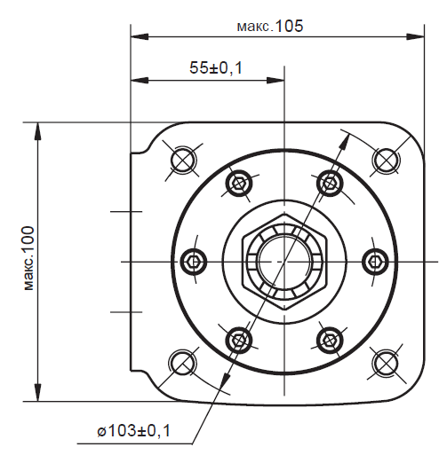
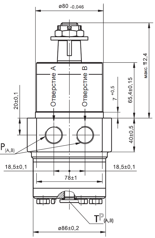
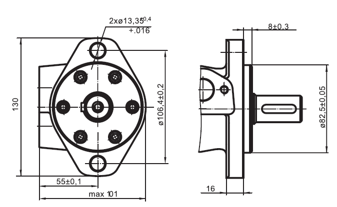
Размеры и установочные характеристики – MPW
W Колесный монтаж


Стандартное вращение
Вид с торца вала
Отверстие A под давлением — по час. стрелке
Отверстие A
Отверстие В
Отверстие B под давлением — против часовой стрелки
Р (А,В) : 2х G 1/2 or 2x M22 x 1,5—15 мм, глубина
T : G 1/4 or M14{1,5—12 мм, глубина (заглушенное)
|
Тип
|
L mm
|
L1 mm
|
|
MPW 25
|
77,0
|
5,20
|
MPW 32
|
78,0
|
6,30
|
MPW 40
|
79,5
|
7,40
|
MPW 50
|
78,5
|
6,67
|
MPW 80
|
82,5
|
10,67
|
MPW 100
|
85,0
|
13,33
|
MPW 125
|
88,5
|
16,67
|
MPW 160
|
93,0
|
21,33
|
MPW 200
|
98,5
|
26,67
|
MPW 250
|
105,0
|
33,33
|
MPW 315
|
114,5
|
42,67
|
MPW 400
|
125,0
|
53,33
|
MPW 500
|
138,5
|
66,63
|
MPW 630
|
156,0
|
84,00
|
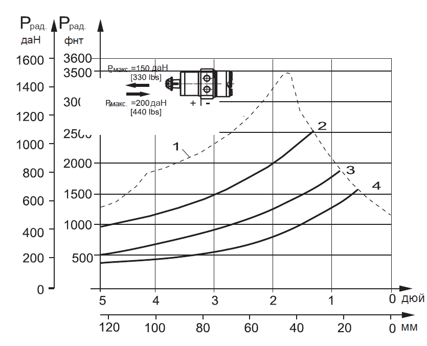
Допустимые нагрузки на вал
|
MPWN
|
MPW
|
1. Макс. радиальная нагрузка на вал
2. n=50 об/мин
3.n=200 об/мин
4.n=800 об/мин
|
1. Макс. радиальная нагрузка на вал
2. n=300 об/мин
3. n=500 об/мин
4. n=800 об/мин
|

|

|
|
Тип
|
MP 25
|
MP 32
|
MP 40
|
MP 50
|
MP 80
|
MP 100
|
MP 125
|
MP 160
|
MP 200
|
MP 250
|
MP 315
|
MP 400
|
MP 500
|
MP 630
|
Рабочий объём
(см3/об.)
|
25
|
32,0
|
40,0
|
49,5
|
79,2
|
99
|
123,8
|
158,4
|
198
|
247,5
|
316,8
|
396
|
495
|
623,6
|
Макс. частота
вращения (об/мин)
|
непр.
|
1600
|
1560
|
1500
|
1210
|
775
|
605
|
486
|
378
|
303
|
242
|
190
|
150
|
120
|
95
|
прер.*
|
1800
|
1720
|
1750
|
1515
|
945
|
775
|
605
|
472
|
375
|
303
|
236
|
189
|
150
|
120
|
Макс. крутящий
момент (даН.м)
|
непр.
|
3,3
|
4,3
|
6,2
|
9,4
|
15,1
|
19,3
|
23,7
|
31,3
|
36,6
|
47
|
48,6
|
50
|
39
|
44
|
прер.*
|
4,7
|
6,1
|
8,2
|
11,9
|
19,5
|
23.7
|
29,8
|
37,8
|
45,6
|
58,3
|
56
|
59
|
57
|
64
|
макс.**
|
6,7
|
6,8
|
10,1
|
14,3
|
22,4
|
27,5
|
36,5
|
43,8
|
55
|
68,5
|
85
|
85,4
|
78
|
82
|
Макс. мощность
(кВт)
|
непр.
|
4,5
|
5,8
|
8,4
|
10,1
|
10,2
|
10,5
|
10
|
10,5
|
10
|
9.5
|
7,6
|
8,2
|
3,5
|
3,3
|
прер.*
|
6,1
|
7,8
|
1,6
|
12,2
|
12,5
|
12,8
|
12
|
12,1
|
12
|
12
|
9
|
7,8
|
7,2
|
5,6
|
Макс. перепад
давления (бар)
|
непр.
|
100
|
100
|
120
|
140
|
140
|
140
|
140
|
140
|
140
|
140
|
120
|
95
|
60
|
55
|
|
прер. *
|
140
|
140
|
155
|
175
|
175
|
175
|
175
|
175
|
175
|
175
|
140
|
115
|
90
|
80
|
|
макс.**
|
225
|
225
|
225
|
225
|
225
|
225
|
225
|
225
|
225
|
225
|
225
|
180
|
130
|
110
|
Макс. расход
масла (л/мин)
|
непр.
|
40
|
50
|
60
|
60
|
60
|
60
|
60
|
60
|
60
|
60
|
60
|
60
|
60
|
60
|
|
прер.*
|
45
|
55
|
70
|
75
|
75
|
75
|
75
|
75
|
75
|
75
|
75
|
75
|
75
|
75
|
Макс. давление
на входе (бар)
|
непр.
|
175
|
175
|
175
|
175
|
175
|
175
|
175
|
175
|
175
|
175
|
175
|
175
|
140
|
140
|
прер. *
|
200
|
200
|
200
|
200
|
200
|
200
|
200
|
200
|
200
|
200
|
200
|
200
|
175
|
175
|
макс.**
|
225
|
225
|
225
|
225
|
225
|
225
|
225
|
225
|
225
|
225
|
225
|
225
|
225
|
225
|
Макс. обратное
давление без линии
слива или макс.
давление слива (бар)
|
непр. 0—100 об/мин
|
150
|
150
|
150
|
150
|
100
|
100
|
100
|
100
|
100
|
100
|
100
|
100
|
150
|
150
|
непр. 300— 600 об/мин
|
75
|
75
|
75
|
75
|
30
|
30
|
30
|
30
|
30
|
30
|
30
|
30
|
75
|
—
|
непр. 300— 600 об/мин
|
50
|
50
|
50
|
50
|
15
|
15
|
15
|
15
|
15
|
—
|
—
|
—
|
—
|
—
|
непр. >600 об/мин
|
20
|
20
|
20
|
20
|
|
|
|
|
|
|
|
|
|
|
прер.* 0 — макс. об/мин
|
150
|
150
|
150
|
150
|
100
|
100
|
100
|
100
|
100
|
100
|
100
|
100
|
150
|
150
|
Макс. обратное давление с линией слива (бар)
|
непр.
|
175
|
175
|
175
|
175
|
175
|
175
|
175
|
175
|
175
|
175
|
175
|
175
|
140
|
140
|
|
прер.*
|
200
|
200
|
200
|
200
|
200
|
200
|
200
|
200
|
200
|
200
|
200
|
200
|
175
|
175
|
макс.**
|
225
|
225
|
225
|
225
|
225
|
225
|
225
|
225
|
225
|
225
|
225
|
225
|
225
|
225
|
Макс. начальное давление с
ненагруженным валом (бар)
|
10
|
10
|
10
|
10
|
10
|
10
|
10
|
9
|
8
|
7
|
6
|
5
|
5
|
5
|
Мин. начальный
крутящий момент (даН.м)
|
при макс.
непрерывном
падении давления
|
3
|
4
|
5,4
|
7,8
|
|
16,6
|
10,7
|
28,2
|
33,5
|
42,8
|
45,8
|
45,8
|
36
|
41,5
|
при макс.
прерывающемся
падении давления*
|
4,2
|
5,6
|
6,9
|
10
|
6(6,5)
|
21
|
26,5
|
35,5
|
42,6
|
54,2
|
61,9
|
60,8
|
54
|
62
|
Мин. число оборотов***, (об/мин)
|
20
|
15
|
10
|
10
|
|
10
|
10
|
10
|
10
|
10
|
10
|
10
|
10
|
10
|
Вес (кг)
|
MP (F)
|
5,6
|
5,6
|
5,7
|
5,8
|
|
6,2 (6...7)
|
|
|
|
|
|
|
8,9
|
9,5
|
|
MPF (E)...B
|
|
|
|
|
|
|
6,3
(6,7)
|
6,5
(6,9)
|
6,7
(7,2)
|
6,9
(7,4)
|
7,2
(7,7)
|
7,7
(8,2)
|
|
|
|
MPQ (N)
|
|
|
|
5,2
|
|
|
|
|
|
|
|
|
8,3
|
9,0
|
|
MP (F) (N) E
|
|
|
|
6,3
|
|
|
|
|
|
|
|
|
9,3
|
10
|
|
MPW (N)
|
|
|
|
5,5
|
|
|
|
|
|
|
|
|
8,8
|
|
|
MPQ (N) E
|
|
|
|
5,7
|
|
|
|
|
|
|
|
|
|
8,5
|
* Работа с перерывами: допустимые значения могут возникать не более чем в 10% случаев ежеминутно.
** Максимальная нагрузка: допустимые значения могут возникать не более чем в 1% случаев ежеминутно.
*** На предмет частоты вращения на 5 об/мин ниже заданной обращаться к производителю или региональному менеджеру.
1) Прерывистая частота вращения и прерывистое давление не должны возникать одновременно.
2) Рекомендуемая фильтрация согласно степени чистоты ISO 20/16. Номинальная фильтрация 25 микрон или лучше.
3) Рекомендуется использовать высококачественное, антифрикционное минеральное гидравлическое масло, HLP (DIN51524) или HM
(ISO 6743/4). При использовании синтетических жидкостей обращаться к производителю для получения информации об альтернативных
материалах уплотнения.
4) Рекомендуемая минимальная вязкость масла 13 мм2/с при 50°С.
5) Рекомендуемая максимальная рабочая температура системы составляет 82°C
8) Для обеспечения оптимальной продолжительности срока службы моторного масла заполнить систему жидкостью перед подачей
нагрузки и оставить поработать при умеренной нагрузке и оборотах в течение 10—15 минут.