3-линейные клапаны регулировки расхода с компенсацией давления разработаны для обеспечения регулировки переменных скоростей потока независимо от изменений давления системы.
[1] Код для заказа
|
(1)
|
|
(2)
|
|
(3)
|
|
(4)
|
|
(5)
|
|
(6)
|
|
AM3
|
—
|
Q3
|
—
|
P
|
/
|
16
|
—
|
|
/
|
10
|
(1) AM3: Модульный клапан CETOP 03 – давление 32 МПа (320 бар)
(2) Q3: 3-линейные клапаны регулировки потока с компенсацией давления
(3) P: Рабочие линии, в которых установлен клапан:
(4) Характеристики регулировки потока:
16 = 0,06 → 16 л/мин максимальное значение регулировки скорости потока в P1 Когда впускной поток (в
P2) превышает значение регулировки, избыток стравливается в линии T
(5) Код, зарезервированный для опций и вариантов
(6) Номер (порядковый) конструкции клапанов
[2] Типовые графики
Типовые кривые регулировки (деления шкалы Q и характеристики Q-P) для клапанов AM3-Q3-P в стандартной конфигурации.
[3] Гидравлические жидкости
Уплотнения и материалы, используемые в стандартных клапанах AM3-*, полностью совместимы с гидравлическими жидкостями на основе минеральных масел, обогащенных противовспенивающими и противоокислительными присадками. Следует использовать очищенную и фильтрованную гидравлическую жидкость согласно стандарту ISO 4406, класс 19/17/14 или выше, в рекомендуемом диапазоне вязкости от 10 сСт до 60 сСт.
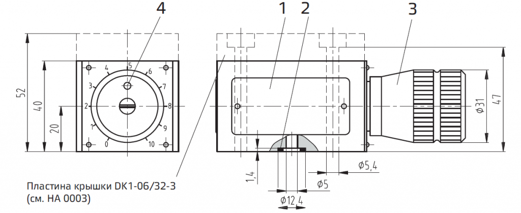
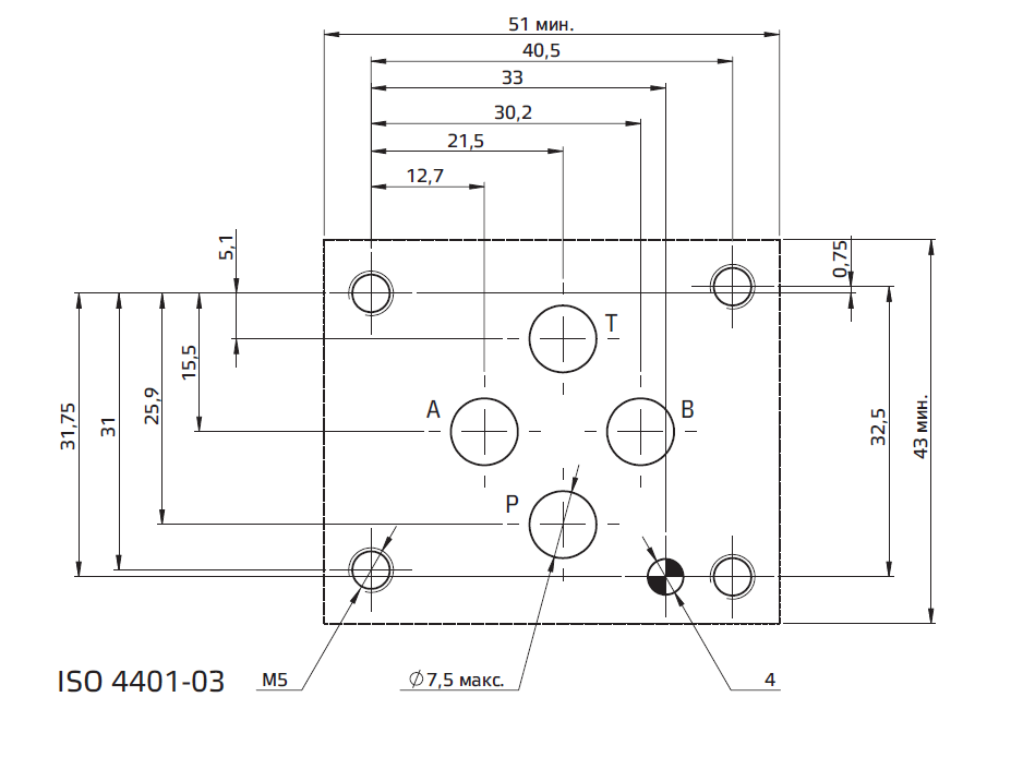
[4] Установочные размеры (мм)
Все модульные клапаны AM3-Q3* соответствуют стандартам ISO и CETOP для размеров монтажных поверхностей и для высоты клапанов 40 мм. Утечка между клапаном и монтажной поверхностью предотвращается посредством полного прижима к седлам 4 уплотнительных колец типа OR 2037.