Модульный редукционный клапан давления с пилотным управлением. Клапан изготовлен из стального корпуса, скомбинированного с клапаном разгрузки давления. Корпус клапана с покрытием никель-фосфор. Оцинкованный картриджный клапан.
Предусмотрены различные диапазоны установленного давления.
[1] Код для заказа
|
(1)
|
|
(2)
|
|
(3)
|
|
(4)
|
|
(5)
|
|
(6)
|
|
AM3
|
—
|
RP
|
—
|
|
/
|
|
—
|
|
/
|
10
|
(1) AM3: Модульный клапан CETOP 03 – давление 32 МПа (320 бар)
(2) RP: Редукционный клапан давления с пилотным управлением, 3-линейный
(3) Рабочие линии, в которых установлен клапан:
P: Регулировка в линии P и слив в линию T
AC: Регулировка в линии A
(4) Диапазоны регулировки давления:
6,3: от 0,5 МПа до 7 МПа (от 5 бар до 70 бар)
20: от 1 до 14 МПа (от 30 бар до 140 бар)
(5) Код, зарезервированный для дополнительных опций и вариантов
V = Рукоятка для ручной регулировки
(6) Номер (порядковый) конструкции клапанов
[2] Типовые графики
Типовые кривые для клапанов AM3-RP в стандартной конфигурации, с минеральным маслом при 36 сСт и 50°C.
.
Все клапаны AM3-RP-* – 3-линейные, прямого действия: Если давление в регулируемой камере превышает значение регулируемого понижаемого давления, клапан осуществляет слив в линию T (при давлении выше понижаемого давления, см. графики), при этом он действует как предохранительный или разгрузочный клапан. Редукционные клапаны давления оснащены встроенным обратным клапаном 9 (типы AM3-RP-AC или BC) в линиях A или B, и обеспечивают создание обратного потока в порт A или B электромагнитного клапана.
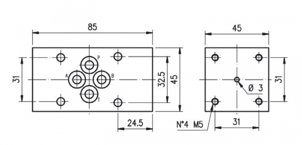
[3] Установочные размеры (мм)
Все модульные клапаны AM3-RP* соответствуют стандартам ISO и CETOP для размеров монтажных поверхностей и для высоты клапанов 45 мм. Утечка между клапаном и монтажной поверхностью предотвращается посредством полного прижима к седлам 4 уплотнительных колец типа OR 2037.
1. Табличка
2. Крышка регулировочного винта
3.
4. Кольцо квадратного сечения 9,25х1,68 (4 шт.), входящие в комплект поставки клапана
5. Заглушка G1/4 (для датчика давления)