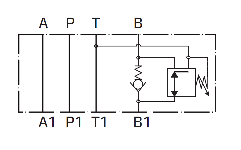
Клапан изготовлен из стального корпуса, скомбинированного с картриджным клапаном разгрузки давления и обратным клапаном. Алюминиевый корпус клапана. Оцинкованный картриджный клапан.
Предусмотрены различные диапазоны установленного давления.
[1] Код для заказа
|
(1)
|
|
(2)
|
|
(3)
|
|
(4)
|
|
AM3
|
—
|
RО
|
—
|
BC
|
/
|
6,3
|
(1) AM3: Модульный клапан CETOP 03
(2) RO: Редукционный клапан давления прямого действия, 3-линейный
(3) BC: Регулировка осуществляется в линии B
(4) 6,3: Диапазон регулировки давления (до 6,3 МПа)
Все клапаны AM3-RO-* – 3-линейные, прямого действия: Если давление в регулируемой камере превышает значение регулируемого понижаемого давления, клапан осуществляет нагнетание в линию T (при давлении выше понижаемого давления, см. графики), при этом он действует как предохранительный или разгрузочный клапан.
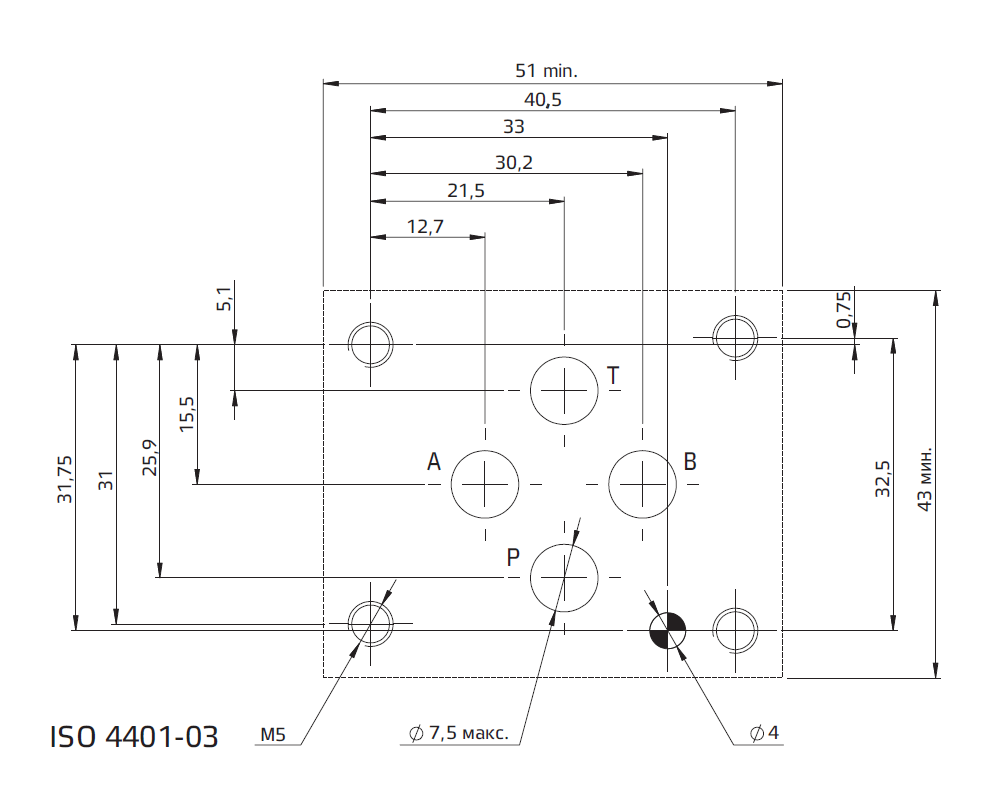
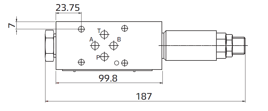
[2] Установочные размеры (мм)
.
Все модульные клапаны AM3-* соответствуют стандартам ISO и CETOP для размеров монтажных поверхностей. Утечка между клапаном и монтажной поверхностью предотвращается посредством полного прижима к седлам 4 уплотнительных колецтипа OR.
[3] Гидравлические жидкости
Уплотнения и материалы, используемые в стандартных клапанах AM3-*, полностью совместимы с гидравлическими жидкостями на основе минеральных масел, обогащенных противовспенивающими и противоокислительными присадками. Следует использовать очищенную и фильтрованную гидравлическую жидкость согласно стандарту ISO 4406, класс 19/17/14 или выше, в рекомендуемом диапазоне вязкости от 10 сСт до 60 сСт.