Модульный клапан разгрузки давления с пилотным управлением. Клапан изготовлен из стального корпуса, скомбинированного с картриджным клапаном разгрузки давления для стабильной регулировки давления.
Корпус клапана с покрытием никель-фосфор. Оцинкованный картриджный клапан.
Предусмотрены различные диапазоны установленного давления.
[1] Код для заказа
|
(1)
|
|
(2)
|
|
(3)
|
|
(4)
|
|
(5)
|
|
(6)
|
|
(7)
|
|
AM3
|
—
|
MP
|
—
|
|
—
|
|
—
|
|
—
|
|
/
|
|
(1) AM3: Модульный клапан CETOP 03 – давление 32 МПа (320 бар)
(2) MP: Клапан разгрузки давления с пилотным управлением
(3) Рабочие линии, в которых установлен клапан:
P: Разгрузка в линии P и нагнетание в линии T
B: Разгрузка в линии B и нагнетание в линии T
BA: Независимая разгрузка в линии B и в линии A и нагнетание в линии T
AB: Разгрузка в линии A и в линии B с перекрестным нагнетанием
(4) Диапазоны регулировки давления:
6,3: от 1 МПа до 7 МПа (от 10 бар до 70 бар)
12,5: от 1 МПа до 14 МПа (от 10 бар до 140 бар)
20: от 2 МПа до 21 МПа (от 20 бар до 210 бар)
30: от 2 до 32 МПа (от 20 до 320 бар)
(5) Диапазон регулировки давления для разгрузки в линии A (только для моделей AM3-MP-BA) или для разгрузки давления в линии B для моделей AM3-MP-AB
(6) Код, зарезервированный для специальных вариантов (материалы, уплотнения, обработка поверхностей и т.д.)
(7) Номер (порядковый) конструкции клапанов
[2] Типовые графики
Типовые кривые для клапанов AM3-MP в стандартной конфигурации, с минеральным маслом при 36 сСт и 50°C.
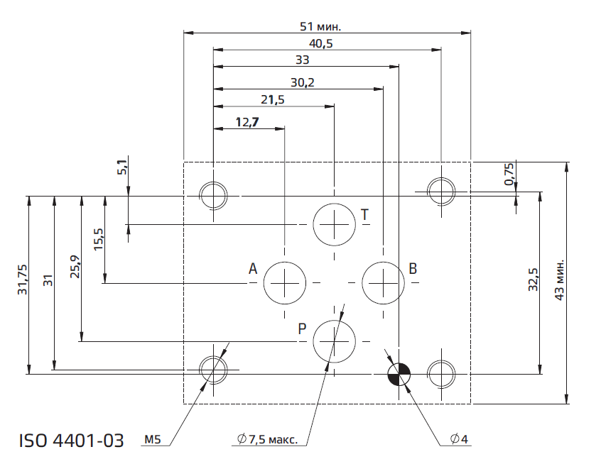
[3] Установочные размеры (мм)
.
Все модульные клапаны AM3-* соответствуют стандартам ISO и CETOP для размеров монтажных поверхностей. Высота клапанов составляет 35 мм. Утечка между клапаном и монтажной поверхностью предотвращается посредством полного прижима к седлам 4 уплотнительных колец типа OR 2037.
[4] Гидравлические жидкости
Уплотнения и материалы, используемые в стандартных клапанах AM3-*, полностью совместимы с гидравлическими жидкостями на основе минеральных масел, обогащенных противовспенивающими и противоокислительными присадками. Следует использовать очищенную и фильтрованную гидравлическую жидкость согласно стандарту ISO 4406, класс 19/17/14 или выше, в реко- мендуемом диапазоне вязкости – от 10 сСт до 60 сСт.