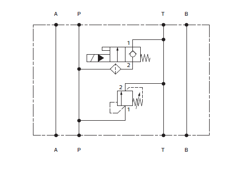
Клапан действует как предохранительный и клапан с электроразгрузкой. CETOP 03. Клапан разгрузки давления представляет собой клапан 7/8”-14 UNF прямого действия. В качестве опции может быть установлен клапан разгрузки с пилотным управлением, обеспечивающий стабильную работу при различных расходах масла. Байпасный клапан представляет собой специальный клапан 3/4"-16 UNF с передним патрубком увеличенного размера с пропускной способностью 50 л/мин при невысоких перепадах давлений.
[1] Код для заказа
|
(1)
|
|
(2)
|
|
(3)
|
|
(4)
|
|
(5)
|
|
(6)
|
|
(7)
|
|
AM3
|
—
|
|
—
|
|
—
|
|
—
|
|
—
|
10
|
/
|
|
(1) AM3: Модульный клапан CETOP 03 – давление 32 МПа (320 бар)
(2) Клапан разгрузки давления:
MO: Предохранительный клапан прямого действия
MP: Предохранительный клапан с пилотным управлением
(3) EV: Клапан электроразгрузки:
EVC: нормально закрытый
EVO: нормально открытый
(4) Код, зарезервированный для опций и вариантов:
04: Аварийная кнопка
(5) Электрическое напряжение и катушки электромагнитов:
012C: Катушки для 12 B постоянного тока
024C: Катушки для 24 B постоянного тока
220R: Катушки для 220-230 B выпрямленного переменного тока (RAC)
230/50: Ктаушки для 230 В переменного тока/50 Гц
(6) Подключение катушки:
Без обозначения: DIN 43650-A / ISO 4400
AMP: Amp Junior Timer
(7) Номер (порядковый) конструкции клапанов
Пример: AM3-MO-EVC.*
[2] Типовые графики
Типовые кривые Pp-Q для клапанов AM3-M*EV в стандартной конфигурации, с минеральным маслом при ѵ=32 мм2/с, при 50°C.
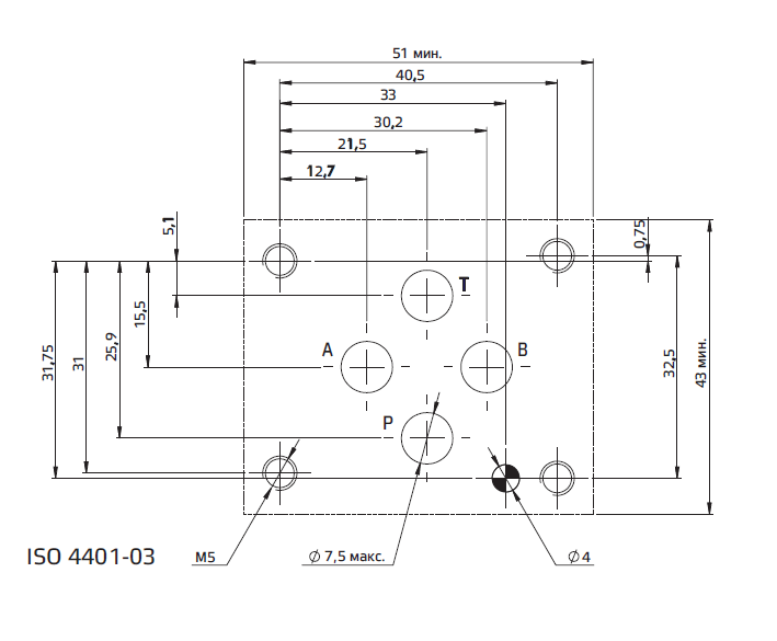
[3] Установочные размеры (мм)

Пример: AM3-MP-EVC
При сборке на монтажной плите клапаны AM3-M*EV должны крепиться 4-мя болтами M5х45 (или M5х** в соответствии с количеством модулей), затягиваемыми с применением крутящего момента 8 Нм. Утечка между клапаном и монтажной поверхностью предотвращается посредством полного прижима к седлам 4 уплотнительных колец типа 2037.
[4] Гидравлические жидкости
Уплотнения и материалы, используемые в стандартных клапанах AM3-*, полностью совместимы с гидравлическими жидкостями на основе минеральных масел, обогащенных противовспенивающими и противоокислительными присадками. Следует использовать очищенную и фильтрованную гидравлическую жидкость согласно стандарту ISO 4406, класс 19/17/14 или выше, в рекомендуемом диапазоне вязкости – от 10 сСт до 60 сСт.