Предохранительные клапан модульного монтажа прямого действия. Клапан изготовлен из стального корпуса, скомбинированного с картриджным клапаном разгрузки давления с антивибрационной системой. Корпус клапана с покрытием никель-фосфор. Оцинкованный картриджный клапан. Предусмотрены различные диапазоны установленного давления.
[1] Код для заказа
|
(1)
|
|
(2)
|
|
(3)
|
|
(4)
|
|
(5)
|
|
(6)
|
|
AM3
|
—
|
МO
|
—
|
|
—
|
|
—
|
|
/
|
10
|
(8) AM3: Модульный клапан CETOP 03 – давление 32 МПа(320 бар)
(9) MO: Предохранительный клапан прямого действия
(10) Рабочие линии, в которых установлен клапан:
P: Разгрузка в линии P и слив в T
B: Разгрузка в линии B и слив в T
BA: Независимая разгрузка в линии B и в линии A и слив в T
(11) Диапазоны регулировки давления:
10: от 2,5 МПа до 12,5 МПа (от 25 бар до 125 бар)
20: от 4 МПа до 25 МПа (от 40 бар до 250 бар)
30: от 10 МПа до 32 МПа (от 100 бар до 320 бар)
(12) Диапазон регулировки давления для разгрузки в линии A (только для моделей AM3-MO-BA) (см. 4)
(13) Код, зарезервированный для специальных вариантов (материалы, уплотнения, обработка поверхностей и т.д.)
(14) Номер (порядковый) конструкции клапанов
[2] Типовые графики
Типовые кривые Δp-Q для клапанов AM3-MO-* в стандартной конфигурации, с минеральным маслом при ѵ=36 сСт, при 50°C.
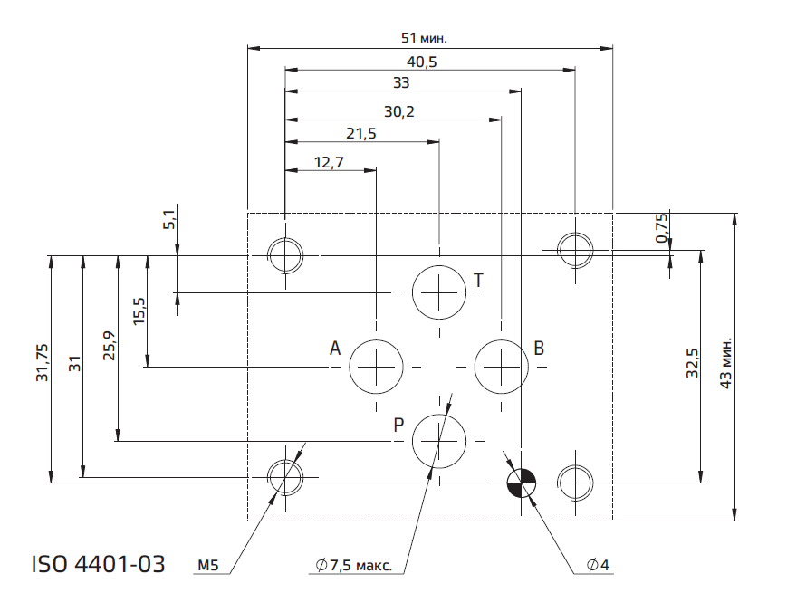
[3] Установочные размеры (мм)
Все модульные клапаны AM3-* соответствуют стандартам ISO и CETOP для размеров монтажных поверхностей. Высота клапанов составляет 35 мм. Утечка между клапаном и монтажной поверхностью предотвращается посредством полного прижима к седлам 4 уплотнительных колец типа OR. На установочной поверхности всех клапанов предусмотрено цилиндрическое отверстие диаметром 4 мм, на уплотнительной поверхности – направляющий штифт диаметром 3 мм, в соответствии с нормами ISO и CETOP.
[4] Гидравлические жидкости
Уплотнения и материалы, используемые в стандартных клапанах AM3-*, полностью совместимы с гидравлическими жидкостями на основе минеральных масел, обогащенных противовспенивающими и противоокислительными присадками. Следует использовать очищенную и фильтрованную гидравлическую жидкость согласно стандарту ISO 4406, класс 19/17/14 или выше, в рекомендуемом диапазоне вязкости – от 10 сСт до 60 сСт.