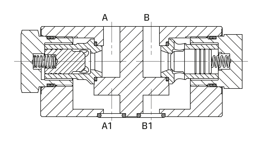
Обратный клапан прямого действия. Все внутренние детали изготовлены из высокопрочной стали и прецизионно обработаны для обеспечения требуемой плотности. Регулируемые линии: A, B или AB.
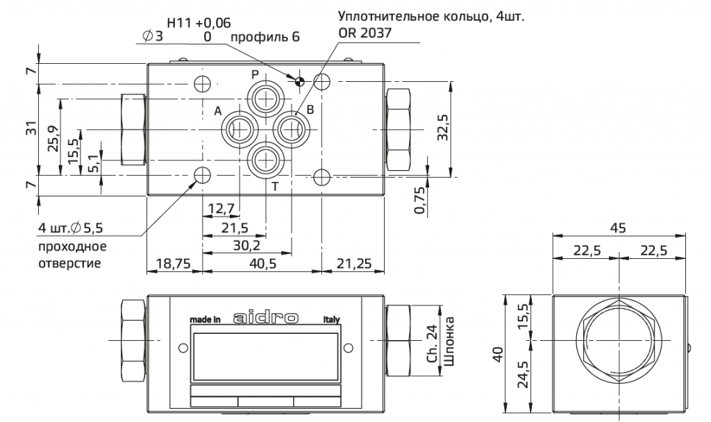
Стандартная обработка поверхности корпуса – покрытие никель-фосфор. Заглушки оцинкованы.
[1] Код для заказа
|
(1)
|
|
(2)
|
|
(3)
|
|
(4)
|
|
(5)
|
|
(6)
|
|
AM3
|
—
|
CO
|
—
|
|
—
|
b
|
—
|
|
—
|
10
|
(1) AM3: Модульный клапан CETOP 03 –давление 32 МПа (320 бар)
(2) CO: Обратный клапан, с пружинным приводом
(3) Рабочие линии, в которых установлен клапан:
AB: Обратные клапаны в линиях A и B. Поток жидкости поступает в направлениях A → A1 и B1 → B, поток пере- крывается в направлении A1 → A и B → B1, свободный поток в линиях P и T
A: Обратный клапан в линии A: Поток в направлении A1 → A перекрывается; свободный поток в линиях B, P и T
B: Обратный клапан в линии B: Поток в направлении B1 → B перекрывается; свободный поток в линиях A, P и T
(4) Давление открытия обратного клапана (Pm):
Без обозначения: Стандартная регулировка, Pm прибл.
0,2 МПа (2 бар)
4: Pm прибл. 0,4 МПа (4 бар)
(5) Код, зарезервированный для опций и вариантов
(6) Номер (порядковый) конструкции клапанов
[2] Типовые графики
Типовые кривые Δp-Q для клапанов AM3-FX-* в стандартной конфигурации, с минеральным маслом при ѵ=36 сСт и при 50°C полностью отведенной дросселирующей осью.
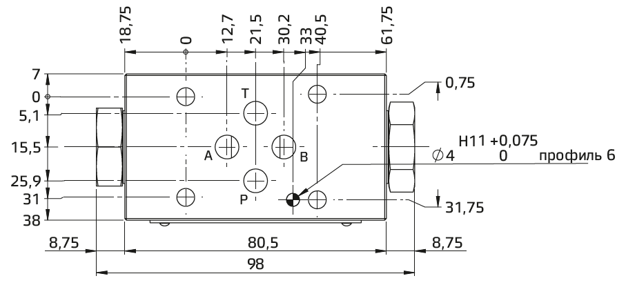
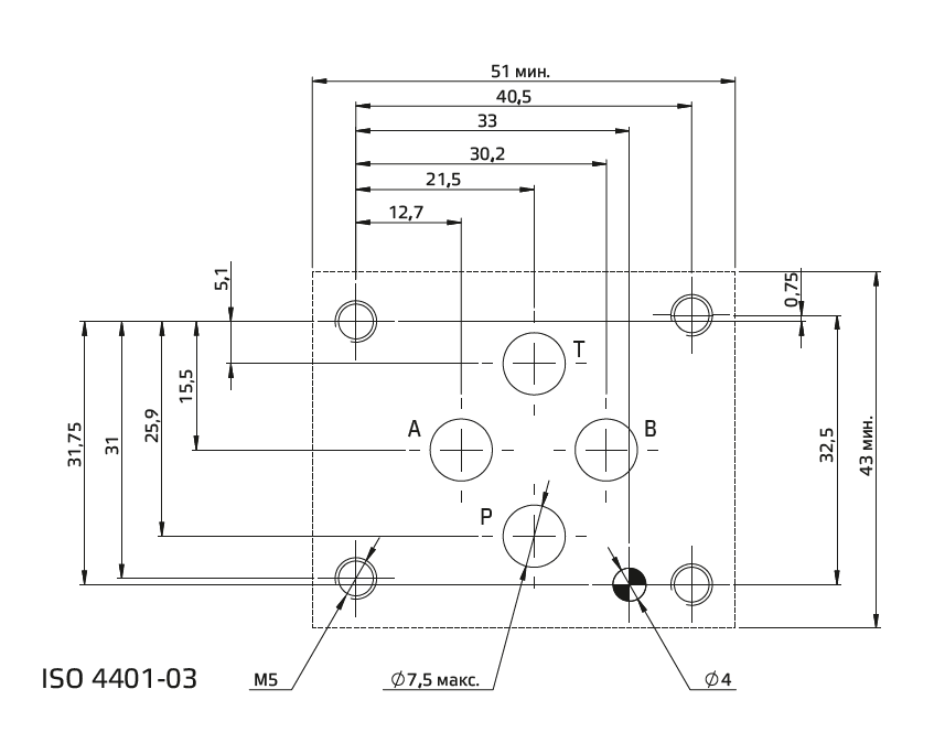
[3] Установочные размеры (мм)
Все обратные клапаны AM3-FX* соответствуют стандартам ISO и CETOP для размеров монтажных поверхностей. Высота клапанов составляет 40 мм. Утечка между клапаном и монтажной поверхностью предотвращается посредством полного прижима к седлам 4 уплотнительных колец типа OR. На установочной поверхности всех клапанов предусмотрено цилиндрическое отверстие диаметром 4 мм, на уплотнительной поверхности – направляющий штифт диаметром 3 мм, в соответствии с нормами ISO и CETOP.
[4] Гидравлические жидкости
Уплотнения и материалы, используемые в стандартных клапанах AM3-*, полностью совместимы с гидравлическими жидкостями на основе минеральных масел, обогащенных противовспенивающими и противоокислительными присадками. Следует использовать очищенную и фильтрованную гидравлическую жидкость согласно стандарту ISO 4406, класс 19/17/14 или выше, в рекомендуемом диапазоне вязкости от 10 сСт до 60 сСт.