Направляющие гидрораспределители с ручным управлением используются, главным образом, для контроля запуска, остановки и направления потока жидкости.
[1] Описание
Направляющие распределители изготавливаются как двухпозиционные и трехпозиционные (см. таблицу с функциональными обозначениями). В стандартных версиях поверхности корпуса клапана с покрытием никель-фосфор и оцинкованные стальные детали проходят испытания в солевом тумане в течение 240 часов согласно стандарту ISO 9227. Предусмотрена оптимизированная защита поверхности для подвижного сектора (ISO 9227, испытания в солевом тумане в течение 520 часов).
[2] Код для заказа
|
(1)
|
|
(2)
|
|
(3)
|
|
(4)
|
|
(5)
|
|
(6)
|
|
HD3
|
—
|
LO
|
—
|
|
—
|
b
|
—
|
|
—
|
10
|
(1) HD3: 4-линейный направляющий распределитель CETOP 03 – давление 32 МПа (320 бар)
(2) Стандартный с ручным рычагом
(3) Тип золотника (см. 4)
– Номер обозначает тип главного золотника
– Буква обозначает электромагнит или конфигурацию пружины
C: Золотник с пружинным возвратом в среднее положение (3 положения)
D: Фиксированный золотник (3 положения)
N: Фиксированный золотник (2 положения, боковое положение – боковое положение)
LL: Золотник с пружинным возвратом (2 положения, боковое положение – боковое положение)
ML: Золотник с пружинным возвратом (2 положения, среднее положение – боковое положение)
(4) Вариант b: Рычажный механизм на стороне порта B
(5) Код, зарезервированный для опций и вариантов
(6) Номер (порядковый) конструкции клапанов
Направляющие клапаны с ручным управлением используются, главным образом, для контроля запуска, остановки и направления потока жидкости. В их состав входит корпус 1 с управляющим золотником 2 и приводной секцией 3. Приводная секция включает либо ручной рычаг 4 и одну или две возвратные пружины 5, либо узел фиксатора 6. Узел фиксатор удерживает золотник в его последнем положении смещения.
[3] Идентификация золотников и промежуточные положения
[4] Электромагнит
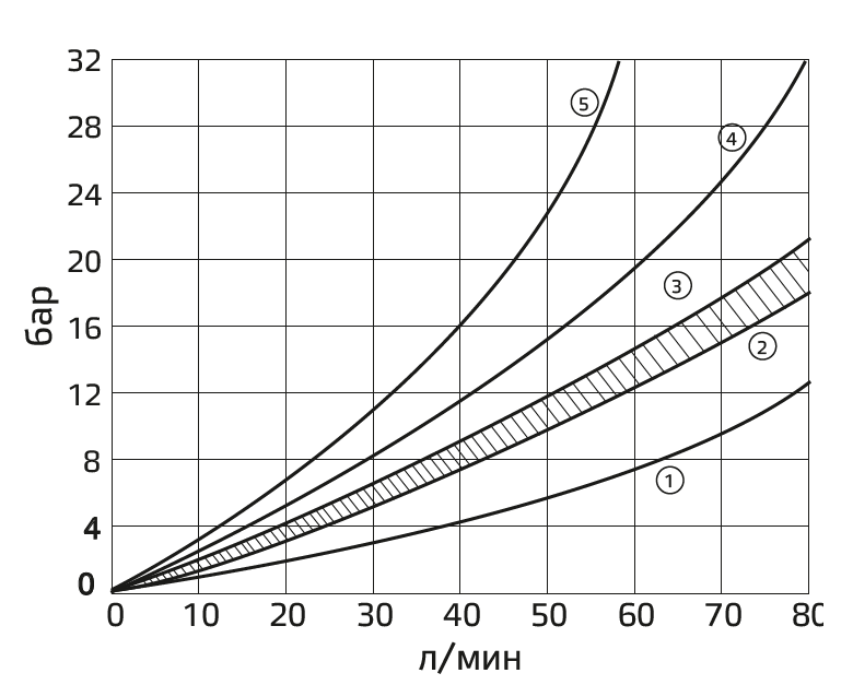
[5]
Пределы гидравлической мощности
Клапаны HD3-LO-1C, 1LL и все клапаны с фиксаторами могут работать при 320 бар и 80 л/мин. Для других клапанов с пружинным возвратом пределы снижаются до 60 л/минКлапаны HD3-LO-1C, 1LL и все клапаны с фиксаторами могут работать при 320 бар и 80 л/мин. Для других клапанов с пружинным возвратом пределы снижаются до 60 л/мин.