Клапаны HD3-ES представляют собой направляющие гидрораспределители стыкового монтажа на промежуточной плите согласно стандарту ISO 4401, DIN 24340 (CETOP 03).
[1] Описание
Конструкция корпуса – 5-камерный высококачественный литой блок.
Клапан может оснащаться взаимозаменяемыми металлическими электромагнитами постоянного тока, применимыми также с источником питания переменного тока с использованием встроенных мостовых выпрямителей в катушке.
В стандартных версиях поверхности корпуса клапана с покрытием никель-фосфор проходят испытания в солевом тумане в течение 240 часов согласно стандарту ISO 9227. Предусмотрена оптимизированная защита поверхности для подвижных частей (ISO 9227, испытания в солевом тумане в течение 520 часов).
[2] Код для заказа
|
(1)
|
|
(2)
|
|
(3)
|
|
(4)
|
|
(5)
|
(6)
|
|
(7)
|
|
HD3
|
—
|
|
—
|
|
—
|
|
—
|
|
|
/
|
10
|
(1) HD3: 4-линейный направляющий гидрораспределитель CETOP 03
(2) С электрическим управлением
(3) Тип золотника (см. 4)
– Номер обозначает тип главного золотника
– Буква обозначает электромагнит или конфигурацию пружины
C: 2 электромагнита, золотник с пружинным возвратом в среднее положение (3 положения)
LL: 1 электромагнит, золотник с пружинным возвратом (2 положения)
ML: 1 электромагнит, золотник с пружинным возвратом (2 положения)
(4) Код, зарезервированный для опций и вариантов:
S-** : Калиброванное отверстие в порте P (см. 11)
K: Водонепроницаемые колпачки для аварийного штифта, (см. 10 )
(5) Электрическое напряжение и катушки электромагнитов (см. 6):
0000: Без катушек
012C: Катушки для 12 B постоянного тока
024C: Катушки для 24 B постоянного тока
115A: Катушки для 110 B переменного тока /50 Гц – 115 B переменного тока /50 Гц
230A: Катушки для 220 B переменного тока /50 Гц – 230 B переменного тока /60 Гц
(6) Соединение катушки (см. 16 ):
Без обозначения: DIN 43650-A ISO 4400
AMP: Amp Junior Timer – вертикальная конфигурация (см. 12 )
AMPX: Amp Junior Timer – продольная конфигурация (см. 12 )
D: Deutsch, немецкий стандарт (см. 12)
(7) Номер (порядковый) конструкции клапанов
Золотник 5 смещается в корпусе клапана 1 под действием пружин 4 и электромагнитов 9. Золотник 5, в зависимости от его формы и положения в корпусе клапана 1, открывает и/или закрывает проходы между портами P, A, B и T, за счет чего регулируется направление гидравлического потока
[3] Идентификация золотников и промежуточные положения
[4] Типовые графики
Типовые кривые ∆p-Q для клапанов HD3-ES-*в стандартной конфигурации, с минеральным маслом при ࣠= 32 мм2/с и T = 40°C.
|
Золотник
|
P-A
|
P-B
|
A-T
|
B-T
|
P-T
|
|
1C
|
2
|
2
|
2
|
2
|
|
|
4C
|
4
|
4
|
4
|
4
|
2
|
|
0C
|
2
|
2
|
3
|
3
|
2
|
|
3C
|
2
|
2
|
3
|
3
|
|
|
1LL
|
3
|
3
|
4
|
4
|
|
|
1LLB
|
3
|
3
|
4
|
4
|
|
|
1ML
|
|
2
|
2
|
|
|
|
4ML
|
4
|
|
4
|
|
2
|
|
0ML
|
2
|
|
3
|
|
2
|
|
3ML
|
2
|
|
2
|
|
|
[5] Электромагнит
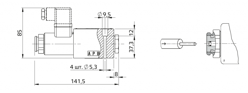
Электромагнитные клапаны могут поставляться без электрических катушек, как HD3-ES-****-0000.
Катушки поставляются отдельно. Стандартные катушки с 3 электрическими контактами: B02-012C; B02-024C; B02-115A; B02-230A. Для соединений с источником электропитания используются стандартные 3-контактные соединители, соответствующие стандарту ISO 4400 (DIN 43650). Могут использоваться соединители с другими размерами кабельных выводов (PG9, PG11), и, помимо функции соединения, могут выполнять прочие функции, такие как сигнальный провод, ограничитель перенапряжений и т.д.
[6] Пределы гидравлической мощности
Пределы характеристик ∆pQ для безопасной эксплуатации электромагнитных клапанов HD3- ES-*. Измерено при ࣠=32 мм2 /с и T=40°C.

|
1C
|
1
|
|
4C
|
5
|
|
0C
|
1
|
|
3C
|
2
|
|
1LL
|
3
|
|
3ML
|
2
|
|
4ML
|
5
|
|
1ML
|
1
|
|
0ML
|
1
|
|
1MLb
|
1
|
|
1LLb
|
1
|
4MLb
|
5
|
0MLb
|
1
|
3MLb
|
2
|
[7] Гидравлические жидкости
Уплотнения и материалы, используемые в стандартных клапанах HD3-*, полностью совместимы с гидравлическими жидкостями на основе минеральных масел, обогащенных противовспенивающими и противоокислительными присадками, фильтруемыми в соответствии со стандартом ISO 4406, класс 19/17/14 или выше, и используемыми в рекомендуемом диапазоне вязкости от 10 сСт до 60 сСт.
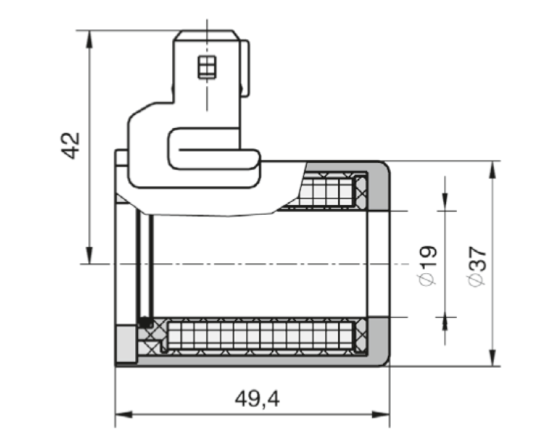
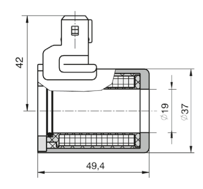
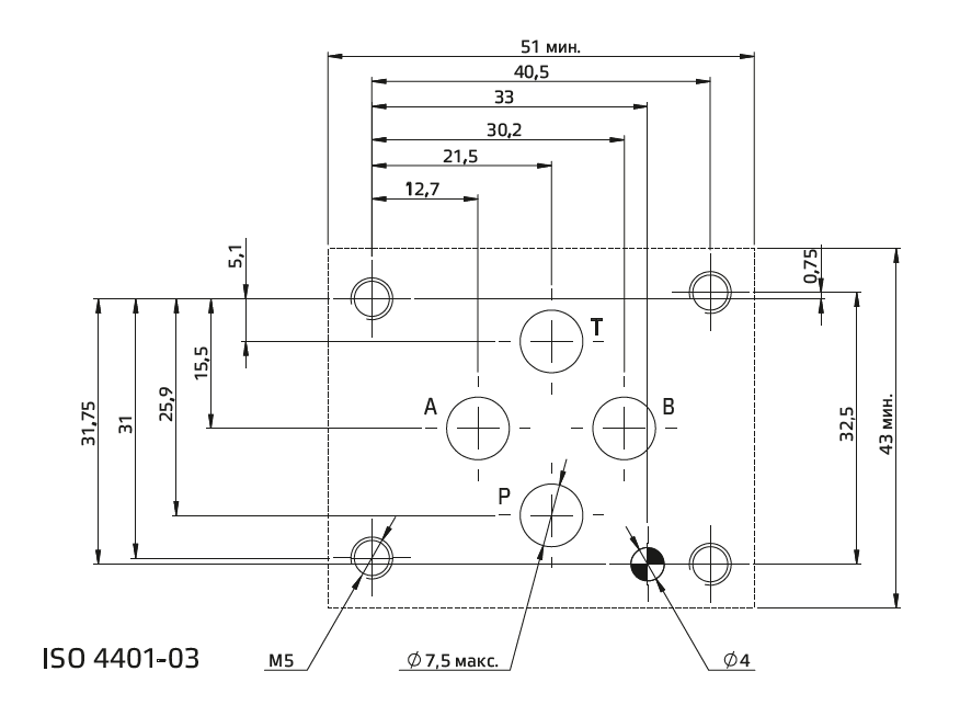
[8] Установочные размеры (мм)
Все клапаны HD3-* соответствуют стандартам ISO и CETOP для размеров монтажных поверхностей (см. 8 ) и высоты клапанов.
При сборке на монтажной плите клапаны HD3-* должны крепиться 4-мя болтами M5х45 (или M5х**, в зависимости от количества модулей), затягиваемыми с применением крутящего момента 8 Нм. Утечка между клапаном и монтажной поверхностью предотвращается посредством полного прижима к седлам 4 уплотнений – уплотнительных колец квадратного сечения типа QuadRing 9,25х1,68х1,68.
[9] Версия K: штифт ручного управления
Электромагнитные клапаны версии K оснащаются удлиненными аварийными штифтами исполнительного механизма, выступающими за пределы самого электромагнита, которые обеспечивают возможность быстрого и простого управления клапанами вручную, без необходимости использования каких-либо инструментов. Приводной штифт и торцевая сторона электромагнита защищены эластичным резиновым колпачком, который упрощает работу и защищает от попадания влаги и брызг воды.
[10] Версия S: калиброванное отверстие порта P
Опция S включает элемент специальной формы для установки в порт P электромагнитного клапана с калиброванным отверстием (различных размеров), которое может ограничивать, в зависимости от значения ∆P, расход, поступающий в электромагнитный клапан.
Диаметр отверстий таких элементов:
- 3S-00 → D = 0 мм
- 3S-10 → D = 1,0 мм
- 3S-15 → D = 1,5 мм
- 3S-20 → D = 2,0 мм
- 3S-25 → D = 2,5 мм
Герметичность элементов в порте P обеспечивается уплотнительным кольцом типа OR, 9,25х1,78 мм (например, OR 110-2037).
[11] Специальные соединения катушек

|

|

|
AMP =Amp Junior Timer Вертикальная конфигурация
|
AMP =Amp Junior Timer Продольная конфигурация
|
D = Deutsch (Немецкий стандарт)
|
По запросу катушки могут поставляться со встроенным симметричным гасящим диодом (переходный диод типа BZW06-19B), обеспечивающим защиту от высоких перенапряжений. Благодаря мгновенной реакции таких диодов на кратковременные перенапряжения они оптимально подходят для защиты устройств, чувствительных к напряжению.