Дроссель модульного монтажа CETOP 3 с регулировкой потока на выходе (относящимся к гидравлическому исполнительному механизму).
[1] Описание
Регулировку потока в линиях A, B или AB можно осуществлять простым вращением боковых винтов. По запросу предусмотрена также опция точной регулировки..
[2] Код для заказа
|
(1)
|
|
(2)
|
|
(3)
|
|
(4)
|
|
(5)
|
|
(6)
|
|
AM3
|
—
|
FC
|
—
|
|
—
|
b
|
—
|
|
/
|
10
|
(1) AM3: Клапан модульного монтажа CETOP 03 – давление 32 МПа (320 бар)
(2) FC: Дроссель одностороннего действия с регулировкой потока на выходе (относящимся к гидравлическому исполнительному механизму)
(3) Рабочие линии, в которых установлен клапан:
AB: Регулировка в линиях A и B. Поток жидкости не ограничивается в направлениях A <–> A1, поток регулируется в направлениях A1 –> A и B1 –> B
A: Поток регулируется в направлениях A1 <–> A; свободный поток в линии B
B: Поток регулируется в направлениях B1 <–> B; свободный поток в линии A
(4) Характеристики регулировки потока для A1 –> A и B1 –> B и давление открытия обратного клапана (Pm) для потока A –> A1 и B –> B1:
Без обозначения: Стандартная регулировка, Pm прибл.0,04 МПа (0,4 бар)
V: Точная регулировка
4: Pm прибл. 0,4 МПа (4 бар)
(5) Код, зарезервированный для опций и вариантов
(6) Номер (порядковый) конструкции клапанов
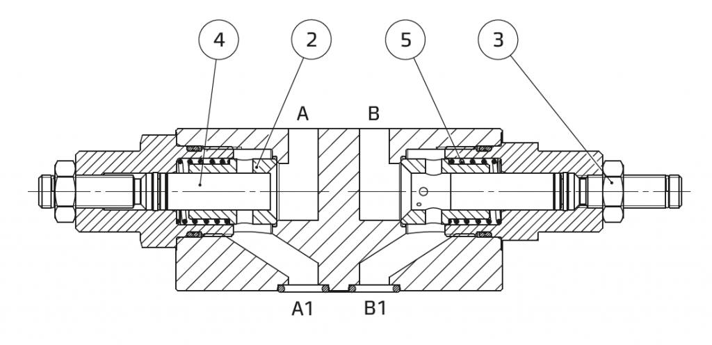
Жидкость поступает свободно по линиям P и T. В рабочих линиях A и/или B с регуляторами жидкость поступает в направлении A –> A1 (и/или B –> B1), преодолевая усилие пружины 5, действующее на втулку 2. Жидкость поступает в направлении A1 –> A (и/или B1 –> B) через отверстия во втулку 2, вдавливаемую в седло. Дросселирующая ось 4, смещаемая путем завинчивания и блокировки при помощи гайки 3, частично преграждает регулирующие отверстия, за счет чего расход полностью зависит от действующего перепада давлений.
[3] Типовые графики
Типовые кривые Δp-Q для клапанов AM3-FC-* в стандартной конфигурации, с минеральным маслом при ѵ=36 сСт и при 50°C полностью отведенной дросселирующей осью.

(1) (3) регулируемые каналы
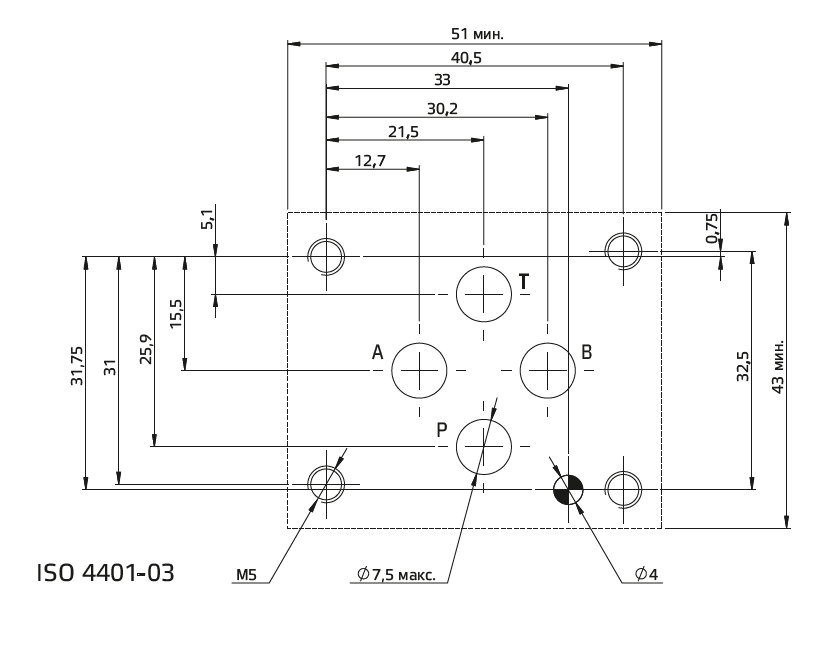
[4] Установочные размеры (мм)
Все дроссели AM3-FC* соответствуют стандартам ISO и CETOP для размеров монтажных поверхностей. Высота клапанов составляет 40 мм. Утечка между клапаном и монтажной поверхностью предотвращается посредством полного прижима к седлам 4 уплотнительных колец типа OR. На установочной поверхности всех клапанов предусмотрено цилиндрическое отверстие диаметром 4 мм, на уплотнительной поверхности – направляющий штифт диаметром 3 мм, в соответствии с нормами ISO и CETOP.