Дроссель модульного монтажа CETOP 3 с регулировкой потока на входе (относящимся к гидравлическому исполнительному механизму). Регулировку потока в линиях A, B или AB можно осуществлять простым вращением боковых винтов. По запросу предусмотрена также опция точной регулировки.
[1] Код для заказа
|
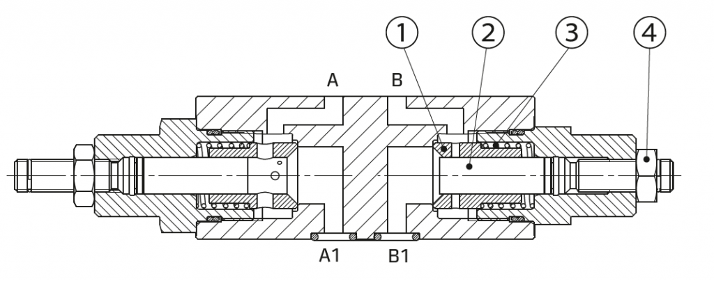
(1)
|
|
(2)
|
|
(3)
|
|
(4)
|
|
(5)
|
|
(6)
|
|
AM3
|
—
|
FX
|
—
|
|
—
|
b
|
—
|
|
—
|
10
|
(1) AM3: Модульный клапан CETOP 03 – давление 32 МПа (320 бар)
(2) FX: Дроссель одностороннего действия с регулировкой на входе (относящимся к гидравлическому исполнительному механизму)
(3) Рабочие линии, в которых установлен клапан:
AB: Регулировка в линиях A и B. Поток жидкости не ограничивается в направлении A1 → A и B1 → B поток регулируется в направлениях A → A1 и B → B1
A: Поток регулируется в направлении A → A1 свободный поток в линии B
B: Поток регулируется в направлениях B → B1; свободный поток в линии A
(4) Характеристики регулировки потока для A → A1 и B → B1 и давление открытия обратного клапана (Pm) для потока A1 → A и B1 → B:
Без обозначения: Стандартная регулировка, Pm прибл. 0,04 МПа (0,4 бар)
V: Точная регулировка
4: Pm прибл. 0,4 МПа (4 бар)
(5) Код, зарезервированный для опций и вариантов
(6) Номер (порядковый) конструкции клапанов
Жидкость поступает свободно по линиям P и T. В рабочих линиях A и/или B с регуляторами жидкость поступает в направлении A → A1 (и/или B → B1), преодолевая усилие пружины 5, действующее на втулку 2. Жидкость поступает в направлении A1 → A (и/или B1 → B) через отверстия во втулку 2, вдавливаемую в седло. Дросселирующая ось 4, смещаемая путем завинчивания и блокировки при помощи гайки 3, частично преграждает регулирующие отверстия, за счет чего расход полностью зависит от действующего перепада давлений.
[2] Типовые графики
Типовые кривые ∆p-Q для клапанов AM3-FX-* в стандартной конфигурации, с минеральным маслом при ࣠=36 сСт и при 50°C полностью отведенной дросселирующей осью.
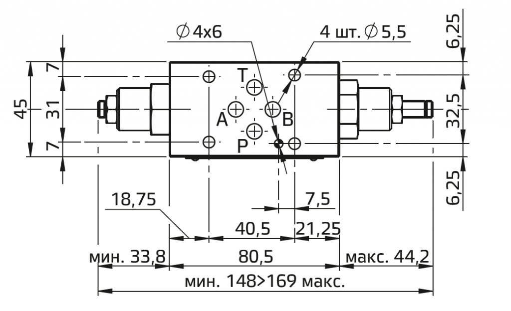
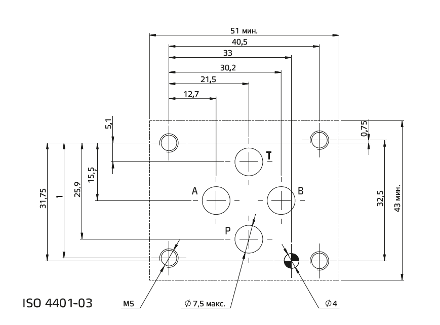
[3] Установочные размеры (мм)
Все модульные клапаны AM3-FX* соответствуют стандартам ISO и CETOP для размеров монтажных поверхностей. Высота клапанов составляет 40 мм. Утечка между клапаном и монтажной поверхностью предотвращается посредством полного прижима к седлам 4 уплотнительных колец типа OR. На установочной поверхности всех клапанов предусмотрено цилиндрическое отверстие диаметром 4 мм, на уплотнительной поверхности – направляющий штифт диаметром 3 мм, в соответствии с нормами ISO и CETOP.
[4] Гидравлические жидкости
Уплотнения и материалы, используемые в стандартных клапанах AM3-*, полностью совместимы с гидравлическими жидкостями на основе минеральных масел, обогащенных противовспенивающими и противоокислительными присадками. Следует использовать очищенную и фильтрованную гидравлическую жидкость согласно стандарту ISO 4406, класс 19/17/14 или выше, в рекомендуемом диапазоне вязкости от 10 сСт до 60 сСт.