BM3-G – многофункциональный блок CETOP 3, используемый для комбинирования множественных опций. Он оборудован стандартным портом 7/8”16 UNF, в который можно устанавливать предохранительный клапан прямого действия или с пилотным управлением, или пропорциональный клапан. В коллектор можно интегрировать клапан сброса.
[1] Код для заказа
|
(1)
|
|
(2)
|
|
(3)
|
|
(4)
|
|
BM
|
—
|
3
|
—
|
G
|
/
|
*
|
(1) BM: Многофункциональная плита
(2) 3: CETOP 3
(3) G: Порты с резьбой G3/8”
(4) *: Различные опции – см. в 5.
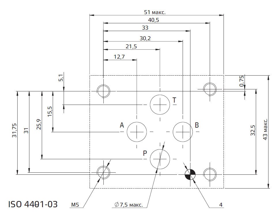
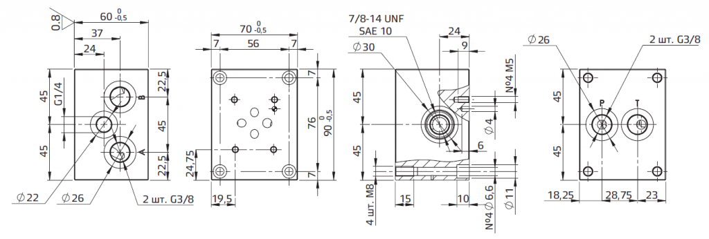
[2] Установочные размеры (мм)
[3] Опции
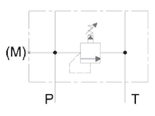
Предохранительный клапан прямого действия
Пример кода для заказа: BM3-G/20
16: Настройки давления 50-116 бар
20: Настройки давления 110-220 бар
32: Настройки давления 200-320 бар
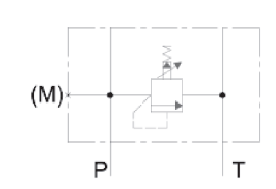
Предохранительный клапан с пилотным управлением
Пример кода для заказа: BM3-G/P20
16: Настройки давления 50-116 бар
20: Настройки давления 110-220 бар
32: Настройки давления 200-320 бар
Предохранительный клапан с пропорциональным электромагнитным управлением
Пример кода для заказа: BM3-G/PR20
PR12: Давление до 120 бар
PR21: Давление до 210 бар
PR35: Давление до 350 бар
(*) Более подробную информацию о пропорциональном клапане см. в спецификации PMO*-78
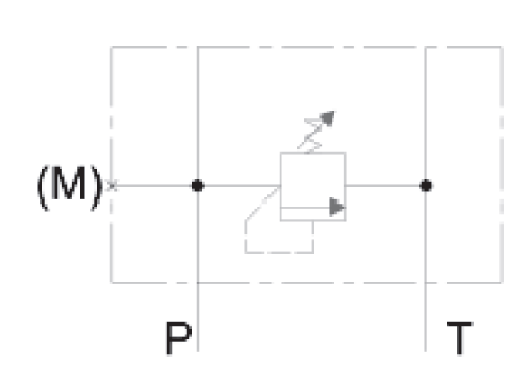
Клапан разгрузки с элетромагнитным управлением
Пример кода для заказа: BM3-G/NO
NO: Нормально открытый
NC: Нормально закрытый
[4] Установочные размеры, примерные (мм)