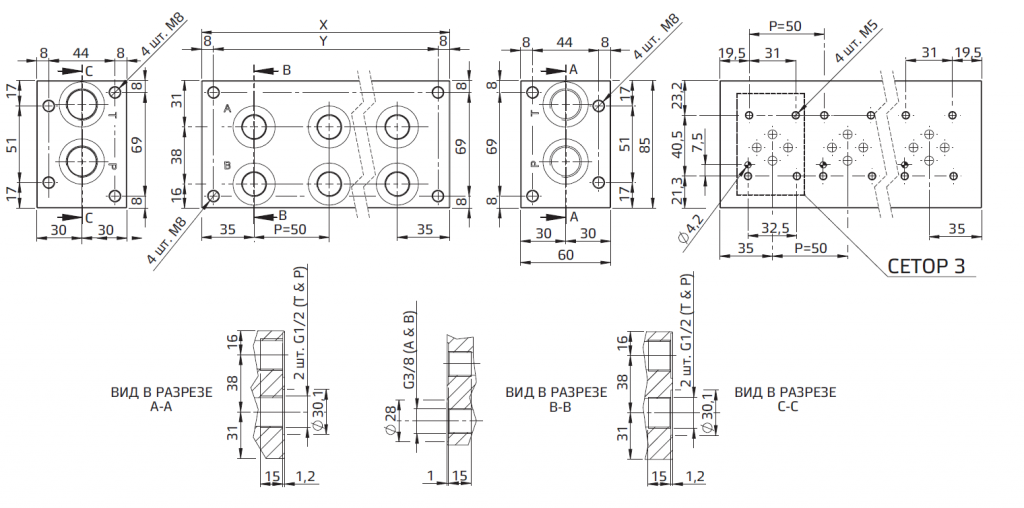
- Порты A и B (3/8” BSP) снизу
- Линии P и T с портами (1/2” BSP) с двух тыльных сторон
- Параллельные соединения P и T.
Моноблоки с несколькими секциями, от 2 до 8, для гидравлических 4-ходовых клапанов ISO 03 с параллельными внутренними соединениями P и T. Порты A и B расположены снизу.
[1] Код для заказа
|
(1)
|
|
(2)
|
|
(3)
|
(4)
|
|
MRK
|
—
|
3
|
—
|
|
G
|
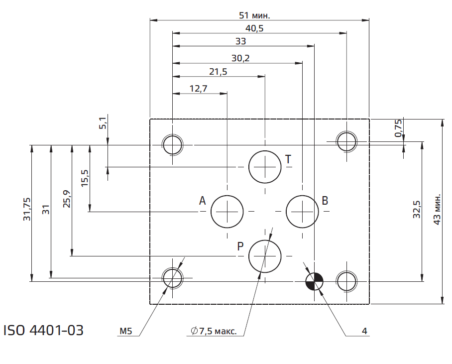
[2] Установочные размеры (мм)
4 установочных отверстия с резьбой M8 на тыльной стороне
[3] Гидравлические жидкости
Уплотнения и материалы, используемые в стандартных клапанах MR-3-*G полностью совместимы с гидравлическими жидкостями на основе минеральных масел, обогащенных противовспенивающими и противоокислительными присадками. Следует использовать очищенную и фильтрованную гидравлическую жидкость согласно стандарту ISO 4406, класс 19/17/14 или выше, в рекомендуемом диапазоне вязкости от 10 сСт до 60 сСт.
|
Тип
|
X (мм)
|
Z (мм)
|
Масса (кг)
|
MR-3-2 G
|
120
|
104
|
3,90
|
MR-3-3 G
|
170
|
154
|
5,45
|
MR-3-4 G
|
220
|
204
|
7,00
|
MR-3-5 G
|
270
|
254
|
8,55
|
|
MR-3-6 G
|
320
|
304
|
10,10
|
0MR-3-7 G
|
370
|
354
|
11,65
|
|
MR-3-8 G
|
420
|
404
|
13,20
|
[4] Гидравлические жидкости
Плоскостность поверхности: 0,01/100
Шероховатость: Ra 0,8
Монтажная поверхность каждой секции соответствует стандарту ISO 4401-03.