3-линейные клапаны-компенсаторы давления используются, как правило, вместе с пропорциональными направляющими распределителями для регулировки расхода независимо от изменений давления.
Выбор управляющего давления осуществляется при помощи встроенного перепускного клапана, отвечающего за регулировку портов A и B.
[1] Код для заказа
|
(1)
|
|
(2)
|
|
(3)
|
(4)
|
(5)
|
|
(6)
|
|
(7)
|
|
AM3
|
—
|
LS
|
—
|
P
|
3
|
|
/
|
|
/
|
10
|
(1) AM3: 4-линейный модульный клапан CETOP 03
(2) LS: Компенсатор давления с функцией измерения нагрузки и регулируемым уровнем QP
(3) P: Регулировка в линии P
(4) 3: 3-линейный компенсационный клапан
с разгрузкой избыточного давления в линии T
(5) Код, зарезервированный для дополнительных опций и вариантов
V = Регулировочная рукоятка
(6) Стандартная версия – регулировка в линиях A и B
A: Регулировка в линии A
B: Регулировка в линии B
(7) Номер (порядковый) конструкции клапанов
3-линейный клапан-компенсатор давления прямого действия модульной версии с монтажной поверхностью согласно стандартам CETOP и ISO. Его функция заключается в поддержании перепадов давления DP между линиями P и A или B. Как правило, используется вместе с направляющими пропорциональными клапанами для регулировки потока независимо от изменений давления. Выбор давления управления в линиях A и B осуществляется автоматически обратным клапаном, встроенным в клапан-компенсатор.
[2] Типовые графики
Для надлежащего выполнения функции регулировки требуется увеличение разницы внешнего давления при повышении сопротивления потока вследствие повышения скорости потока.
Все клапаны AM3-RP-* – 3-линейные, прямого действия: Если давление в регулируемой камере превышает значение регулируемого понижаемого давления, клапан осуществляет слив в линию T (при давлении выше понижаемого давления, см. графики), при этом он действует как предохранительный или разгрузочный клапан. Редукционные клапаны давления оснащены встроенным обратным клапаном 9 (типы AM3-RP-AC или BC) в линиях A или B, и обеспечивают создание обратного потока в порт A или B электромагнитного клапана.
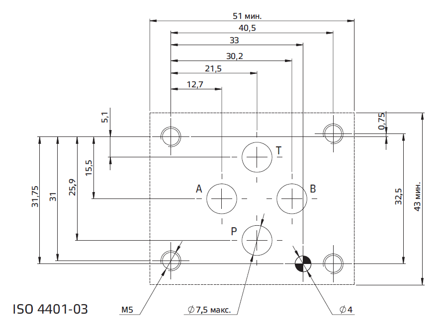
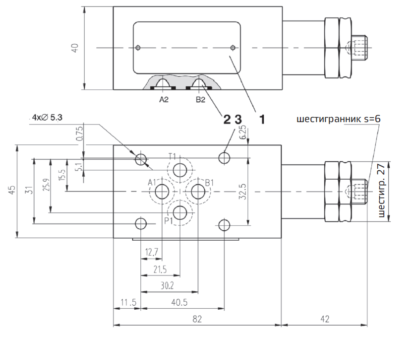
[3] Установочные размеры (мм)
Клапаны AM3-LS-P3* соответствуют стандартам ISO и CETOP для размеров монтажных поверхностей. Высота клапанов со- ставляет 40 мм. Герметичность между клапаном и монтажной поверхностью обеспечивается с помощью 4 уплотнительных колец типа OR 2037 или уплотнительных колец квадратного сечения типа Quad-Ring.
[4] Калибровка ΔP
Эффективная калибровка DP (перепадов давлений) клапана AM3-LSP3 представляет собой важнейшую процедуру настройки диапазона скоростей потока для приборов. При увеличении DP, по нелинейному закону, повышает также значение компенсированных скоростей потоков, проходящих через регулирующий орган (дроссель с переменным сечением), независимо от рабочего давления системы. Например, в системе,
представленной на типовых схемах применения, с. 1, в состав которой входит клапан AM3-LSP3 и пропорциональный клапан HD3-PS-3RC-xx (см. таблицу HD3-PS), при значении DP 1 МПа (10 бар) расход составляет от 0 до 16 л/мин, при значении DP 3 МПа (30 бар) расход исполнительного устройства составляет от 0 до 28 л/мин (всегда независимо от рабочего давления системы). Поэтому для оптимизации функционирования системы требуется регулировка DP клапана-компенсатора. Для этого можно использовать шпонку CH 6 мм на регуляторе штифта после ослабления фиксирующей гайки с CH 27 мм: рекомендуется полностью ослабить пружину, вращая штифт с шагом резьбы 1,25 мм против часовой стрелки, до механического упора.
После этого при вращении по часовой стрелке устанавливается:
DP = 0,4 МПа (4 бар) при смещении на 2,5 мм* (2 оборота)
DP = 1,2 МПа (12 бар) при смещении на 3,75 мм* (3 оборота
DP = 2,1 МПа (21 бар) при смещении на 5 мм* (4 оборота)
DP = 3 МПа (30 бар) при смещении на 6,25 мм* (5 оборотов)
DP = 3,9 МПа (39 бар) при смещении на 7,5 мм* (6 оборотов)
*включая один начальный холостой оборот со смещением приблизительно на 2 мм (1,5 оборота) После выполнения требуемой калибровки заблокируйте фиксирующую гайку 1 с помощью шпонки CH 27 мм.