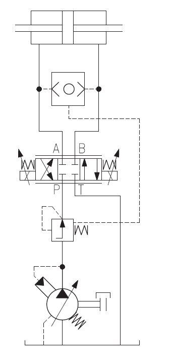
2-линейные клапаны-компенсаторы давления для регулировки потока на входе. Колебания давления вследствие изменения нагрузки компенсируются, то есть, увеличение давления подачи не приводит к повышению скорости потока. Если не предусмотрено предварительное нагружение сливного порта, использование клапана-компенсатора давления с регулировкой на входе ограничивается только напором исключительно в направлении положительной нагрузки.
[1] Код для заказа
|
(1)
|
|
(2)
|
|
(3)
|
|
(4)
|
|
(5)
|
|
(6)
|
|
AM3
|
—
|
PS
|
—
|
|
/
|
|
—
|
|
/
|
10
|
(1) AM3: Модульный клапан CETOP 03 – давление 32 МПа (320 бар)
(2) PC: 2-линейный клапан-компенсатор давления
(3) Рабочие линии, в которых установлен клапан:
P: Регулировка в линии P с выбором линий A, B
A: Регулировка в линии A
B: Регулировка в линии B
(4) Давление Δp компенсатора:
Стандартное Δp = 1 МПа (10 бар)
(5) Код, зарезервированный для опций и вариантов
(6) Номер (порядковый) конструкции клапанов
Клапаны AM3-PC-* представляют собой 2-линейные компенсаторы давления прямого действия. Основными частями таких клапанов являются корпус 1, управляющий золотник 2, пружина 3 и логический клапан 4. Пружина 3 удерживает золотник в открытом положении между P1 и P2, если разница давлений между P1 и A (P1–B) составляет меньше p = 10 бар. Когда разница давлений превышает значение p = 10 бар, золотник смещается относительно пружины, пока не восстанавливается требуемая разница давлений..
[2] Типовые графики
Типовые кривые для клапанов AM3-PC в стандартной конфигурации, с минеральным маслом при 36 сСт и 50°C.
Пример
Двухлинейный клапан-компенсатор давления для регулировки на входе.
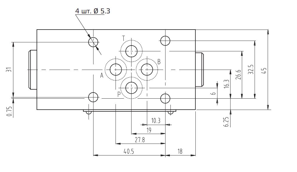
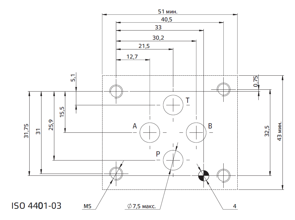
[3] Установочные размеры (мм)
Все модульные клапаны AM3-PC-* соответствуют стандартам ISO и CETOP для размеров монтажных поверхностей и для высоты клапанов 45 мм. Утечка между клапаном и монтажной поверхностью предотвращается посредством полного прижима к седлам 4 уплотнительных колец типа OR 2037.
[4] Гидравлические жидкости
Уплотнения и материалы, используемые в стандартных клапанах AM3-*, полностью совместимы с гидравлическими жидкостями на основе минеральных масел, обогащенных противовспенивающими и противоокислительными присадками. Следует использовать очищенную и фильтрованную гидравлическую жидкость согласно стандарту ISO 4406, класс 19/17/14 или выше, в рекомендуемом диапазоне вязкости от 10 сСт до 60 сСт.