Клапаны HD3-PX представляют собой пропорциональные направляющие клапаны в исполнении ATEX, для стыкового монтажа на промежуточной плите согласно стандарту ISO 4401, DIN 24340 (CETOP 03)
[1] Описание
Конструкция корпуса – 5-камерный высококачественный литой блок. Клапан может оснащаться взаимозаменяемыми металлическими электромагнитами постоянного тока и переменного тока в исполнении директивы ATEX.
В стандартной версии поверхности корпуса клапана с покрытием никель-фосфор проходят испытания в солевом тумане в течение 240 часов согласно стандарту ISO 9227. Предусмотрена оптимизированная защита поверхности для подвижного сектора (ISO 9227, испытания в солевом тумане в течение 520 часов).
[2] Код для заказа
|
(1)
|
|
(2)
|
|
(3)
|
(4)
|
|
(5)
|
|
(6)
|
|
(7)
|
|
HD3
|
—
|
PX
|
—
|
|
|
—
|
|
—
|
|
/
|
|
(1) HD3: 4-линейный направляющий клапан CETOP 03 – давление 25 МПа (250 бар)
(2) PX: Пропорциональный электрический клапан с электромагнитом во взрывозащищенном исполнении (см. 7)
(3) Функциональный тип золотника (см. 5)
–Номер:
1: Центральное закрытие (линии P, A, B, T перекрыты)
3: Линия P перекрыта, линии A, B, T подсоединены
–Номинальный расход золотника:
P: 32 л/мин при P = 1 МПа (10 бар) (PA+BT или PB+AT)
R: 16 л/мин при P = 1 МПа (10 бар) (PA+BT или PB+AT) 05: 05 л/мин при P = 1 МПа (10 бар) (PA+BT или PB+AT)
D: Дифференциальное значение Qb = 2Qa: 32/16 л/мин при P = 1 МПа (10 бар)
(4) Схема электромагнитов и пружин (см. 5):
C: 2 электромагнита, золотник с пружинным возвратом в среднее положение
ML: 1 электромагнит (a), золотник с пружинным возвратом в среднее положение + 1 крайнее положение
MLb: 1 электромагнит (b), золотник с пружинным возвратом в среднее положение + 1 крайнее положение
(5) Опции и варианты:
ZC: Оцинкованные клапаны (см. 10)
(6) Тип катушки (катушек) и напряжение питания (см. 7):
R2: Стандарт, 12 B постоянного тока (R=11,3)
R4: Стандарт, 24 B постоянного тока (R=45,3)
(7) Номер (порядковый) конструкции клапана
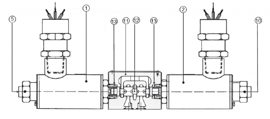
Золотник 12 смещается в корпус клапана 11 под действием пружин 13 и пропорциональных электромагнитов 1 и 2. Золотник 12, в зависимости от его формы и положения в корпусе клапана 11, открывает и/или закрывает проходы между портами P, A, B и T, за счет чего регулируется направление и расход. Питание на электромагниты 1 и 2 подводится посредством электрического тока, проходящего по кабелям. В случае отключения электроэнергии золотник можно перемещать вручную при помощи аварийных штифтов, расположенных на торцевой стороне электромагнитов и доступных посредством зажимных гаек.
[3] Типовые графики
Типовые кривые скорости потока для клапанов HD3– PX-* в стандартной конфигурации, с минеральным маслом при ѵ = 36 сСт, 50°C и при ΔP = 01 МПа (10 бар) в направлении потока P → B, A → T.
[4] Идентификация золотников и промежуточные положения
[5] Скорости потоков и перепады давлений
Для указанного значения ΔP данного клапана скорости потоков пропорциональны току возбуждения (см. 4). Для указанного тока возбуждения данного клапана скорости потоков увеличиваются с повышением ΔP до определенных пределов. Далее представлены типовые кривые пределов:
[6] Электромагнит GMA-6/HD серии 271 GD во взрывозащищенном исполнении
0: Взрывозащищенный электромагнит согласно директиве ATEX 94/9/EC.
Класс EX II 2G EExd IIC T5.
Внешние поверхности с покрытием цинк-никель, с минимальной толщиной 7.
1: На табличке электромагнита указано напряжение питания, класс взрывозащиты EExd, номер сертификата, выданный институтом INERIS, и максимальная потребляемая мощность.
2: 3-жильный кабель согласно CEI 20-22, стандартная длина 1,5 м, крепится к катушке и фиксируется кабельной муфтой 5.
3: Поперечное сечение проводов 1,5 мм2; провод соединения с заземлением желто-зеленого цвета. Электрическое соединение должно соответствовать нормам
ATEX по взрывозащите.
4: Ручное управление осуществляется путем нажатия на выступающий штифт.
5: Нормализованная кабельная муфта – момент затяжки 8 Нм + 1 – устройство с резьбовым креплением ½”, коническое – ISO 7/1.
6: Соединительный заземляющий винт.
7: Резьбовая заглушка (с шестигранным углублением 1,5 мм) для блокировки зажимной гайки катушки.
8: Гайка крепления катушки – момент затяжки 6 Нм + 1 – шестигранная, 24 мм.
Соответствие устройства нормам не гарантируется, если катушка используется отдельно от электромагнитной трубки.
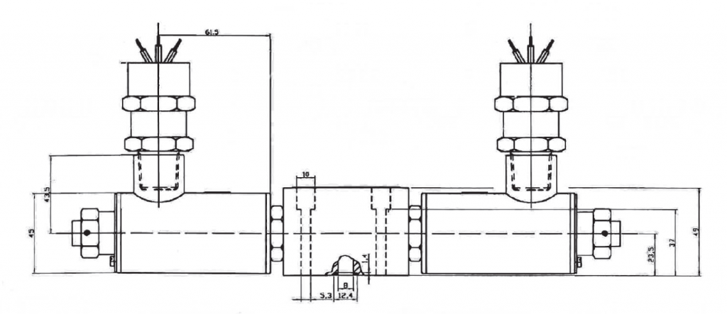
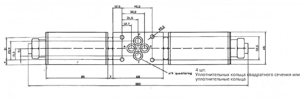
[7] Установочные размеры (мм)
Все клапаны HD3-* соответствуют стандартам ISO и CETOP для размеров монтажных поверхностей (см. также первую страницу) и высоты клапанов. При сборке на монтажной плите клапаны HD3-* должны крепиться 4-мя болтами M5х45 (или M5х**, в зависимости от количества модулей), затягиваемыми с применением крутящего момента 8 Нм. Особого внимания требует монтаж модулей компенсации давления с пропорциональными клапанами HD3-P – см. 15 . Утечка между клапаном и монтажной поверхностью предотвращается посредством полного прижима к седлам 4 уплотнений – уплотнительных колец квадратного сечения QuadRing/уплотнительных колец OR, 9,25х1,68х1,68.
[8] Гидравлические жидкости
Уплотнения и материалы, используемые в стандартных клапанах HD3-*, полностью совместимы с гидравлическими жидкостями на основе минеральных масел, обогащенных противовспенивающими и противоокислительными присадками. Следует использовать очищенную и фильтрованную гидравлическую жидкость согласно стандарту ISO 4406, класс 19/17/14 или выше, в рекомендуемом диапазоне вязкости от 10 сСт до 60 сСт.
[9] Версия ZT: оцинкованные клапаны
Электромагнитные клапаны версии ZT оснащаются центральным корпусом с цинковым покрытием и обеспечиваются защитой от любых типов коррозии, возникающей в результате воздействия солевой среды или других агрессивных химикатов. Толщина слоя цинкового покрытия на корпусе клапана: 10-15 мкм.
[10] Модули компенсации давления
2-линейный компенсатор давления для регулировки на входе типа AM3-PCP – см. таблицу AM-391. При помощи 2-линейных компенсаторов давления для регулировки на входе, представленных на схемах, поддерживается постоянный перепад давлений на регулирующей кромке пропорционального направляющего клапана. При этом компенсируются колебания давления вследствие изменений нагрузки, а также изменения давления накачки. Это означает, что изменение давления не обуславливает повышение скорости потока. 3-линейный компенсатор давления типа AM3-LS-P может работать как устройство измерения нагрузки, в процессе нагнетания в порте T, при идентичном давлении потребителя, потока, который превышает требуемые скорости потока, посредством регулируемого отверстия пропорционального 4-ходового клапана.