Клапаны HD3-EX представляют собой электромагнитные направляющие гидрораспределители в исполнении ATEX, для стыкового монтажа на промежуточной плите согласно стандарту ISO 4401, DIN 24340 (CETOP 03), предназначенные для эксплуатации во взрывоопасных средах (ATEX).
[1] Описание
Конструкция корпуса – 5-камерный высококачественный литой блок. Клапан может оснащаться взаимозаменяемыми металлическими электромагнитами постоянного тока и переменного тока в исполнении ATEX.
В стандартной версии поверхности корпуса клапана с защитным покрытием никель-фосфор проходят испытания в солевом тумане в течение 240 часов согласно стандарту ISO 9227. Предусмотрена оптимизированная защита поверхности для подвижного сектора (ISO 9227, испытания в солевом тумане в течение 520 часов).
[2] Код для заказа
|
(1)
|
|
(2)
|
|
(3)
|
(4)
|
|
(5)
|
|
(6)
|
|
HD3
|
—
|
EX
|
—
|
|
|
—
|
|
—
|
25
|
(1) HD3: 4-линейный направляющий гидрораспределитель CETOP 03 – давление 25 МПа (250 бар)
(2) EX: С электрическим управлением, с электромагнитом во взрывозащищенном исполнении
(3) Тип золотника (см. 4)
– Номер обозначает тип главного золотника
– Буква обозначает электромагнит или конфигурацию пружины
C: 2 электромагнита, золотник с пружинным возвратом в среднее положение (3 положения)
N: 2 электромагнита, фиксированный золотник (2 положения) (см. 9)
LL: 1 электромагнит (a), золотник с пружинным возвратом (2 положения, крайнее положение – крайнее положение)
ML: 1 электромагнит (a), золотник с пружинным возвратом (2 положения, среднее положение – крайнее положение)
LM: 1 электромагнит (a), золотник с пружинным возвратом (2 положения, крайнее положение – среднее положение)
(4) Код, зарезервированный для опций и вариантов:
b: Электромагнит b устанавливается только
в версиях LL и ML (вместо электромагнита a)
S-**: Калиброванное отверстие в порте P (см. 10)
ZT: Клапан с цинковым покрытием (см. 11)
(5) Электрическое напряжение и электромагнитные катушки:
012C: Катушка (катушки) для 12 B постоянного тока
024C: Катушка (катушки) для 24 B постоянного тока
115A: Катушка (катушки) для 110 B переменного тока/50 Гц – 115 B переменного тока/50 Гц
230A: Катушка (катушки) для 220 B переменного тока/50 Гц –
230 B переменного тока/60 Гц
(6) Номер конструкции клапанов с электромагнитами ATEX для версий G и D
Золотник 12 смещается в корпус клапана 11 под действием пружин 13 и электромагнитов 2. Золотник 12, в зависимости от его формы и положения
в корпусе клапана, открывает и/или закрывает проходы между портами P, A, B и T, за счет чего регулируется направление гидравлического потока
[3] Идентификация золотников и промежуточные положения
Типовые кривые P-Q для клапанов GMG*/60, с минеральным маслом с вязкостью 36 сСт при температуре 50°C.
Комбинирование золотников, пружин и электромагнитов позволяет реализовывать практически любые соединения и последовательности всех типов портов (P, A, B, T). Фактически для всех комбинаций электромагнитов/пружин и для всех типов золотников (за исключением золотника 4), когда питание подводится
к электромагниту a, используются гидравлические соединения P → B и A → T; для применения соединений P → A и B → T питание должно подводиться к электромагниту b. Гидравлические соединения, создаваемые в центральном (нейтральном) положении, когда к электромагнитам не подводится питание, являются характеристическим признаком формы золотника, и на их основе выводится идентификационный номер:
0 = P, A, B, T соединены
1 = P, A, B, T закрыты
3 = P закрыт и A, B, T соединены
[4] Типовые графики
|
P-A
|
P-B
|
A-T
|
B-T
|
P-T
|
|
1C
|
2
|
2
|
2
|
2
|
—
|
|
4C
|
4
|
4
|
4
|
4
|
2
|
|
0C
|
2
|
2
|
3
|
3
|
2
|
|
3C
|
2
|
2
|
3
|
3
|
—
|
|
1LL
|
3
|
3
|
4
|
4
|
—
|
|
1LLb
|
3
|
3
|
4
|
4
|
—
|
|
1ML
|
—
|
2
|
2
|
—
|
—
|
|
4ML
|
4
|
—
|
—
|
4
|
2
|
|
0ML
|
2
|
—
|
—
|
3
|
2
|
|
3ML
|
2
|
—
|
—
|
2
|
—
|
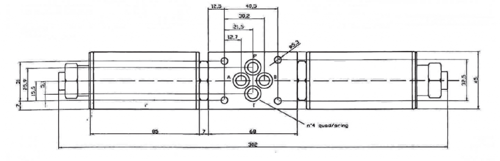
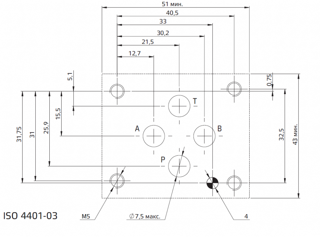
[5] Установочные размеры (мм)
Все клапаны HD3-* соответствуют стандартам ISO и CETOP для размеров монтажных поверхностей (см. также первую страницу) и высоты клапанов. При сборке на монтажной плите клапаны HD3-* должны крепиться 4-мя болтами M5х45 (или M5х**, в зависимости от количества модулей), затягиваемыми с применением крутящего момента 8 Нм. Утечка между клапаном и монтажной поверхностью предотвращается посредством полного прижима к седлам 4 уплотнений – с квадратным сечением QuadRing/уплотнительных колец OR, 9,25х1,68х1,68.
[6] Электромагнит GMA-6/HD серии 271 GD во взрывозащищенном исполнении
Сертификаты ATEX: INERIS 05ATEX0028X/02 для газа и пыли
- 0: Взрывозащищенный электромагнит согласно директиве ATEX 94/9/EC. II 2GD Exd IIC T5. Внешние поверхности с покрытием цинк-никель, с минимальной толщиной 7.
-
1: На табличке электромагнита указано напряжение питания, класс взрывозащиты Exd, номер сертификата, выданный институтом INERIS, и максимальная потребляемая мощность.
- 2: 3-жильный кабель согласно CEI 20-22, стандартная длина 1,5 м, крепится к катушке и фиксируется кабельной муфтой.
-
3: Поперечное сечение проводов 1,5 мм2; провод соединения с заземлением желто-зеленого цвета. Электрическое соединение должно соответствовать нормам ATEX по взрывозащите.
-
4: Ручное управление осуществляется путем нажатия на выступающий штифт.
-
5: Нормализованная кабельная муфта – момент затяжки 8 Нм + 1 – устройство с ½” коническим резьбовым креплением – ISO 7/1.
-
6: Соединительный заземляющий винт.
-
7: Резьбовая заглушка (с шестигранным углублением 1,5 мм) для блокировки зажимной гайки катушки.
-
8: Гайка крепления катушки – момент затяжки 6 Нм + 1 – шестигранная, 24 мм.
Соответствие устройства нормам не гарантируется, если катушка используется отдельно от трубки.
[7] Гидравлические жидкости
Уплотнения и материалы, используемые в стандартных клапанах GMG*/40, полностью совместимы с гидравлическими жидкостями на основе минеральных масел, обогащенных противовспенивающими и противоокислительными присадками. Следует использовать очищенную и фильтрованную гидравлическую жидкость согласно стандарту ISO 4406, класс 19/17/14 или выше, в рекомендуемом диапазоне вязкости от 10 сСт до 60 сСт.
[8] Версия N: механический фиксатор в золотнике
Электромагнитные клапаны с фиксатором, как правило, представляют собой 2-позиционные клапаны с 2 электромагнитами, без пружинного возврата, в которых золотник удерживается в предельных крайних положениях хода при помощи механического устройства. Это обеспечивает подачу питания на электромагниты посредством кратковременных импульсов тока, и золотник остается в требуемом положении, независимо от воздействующих гидродинамических или гравитационных или инерционных сил (вибраций).
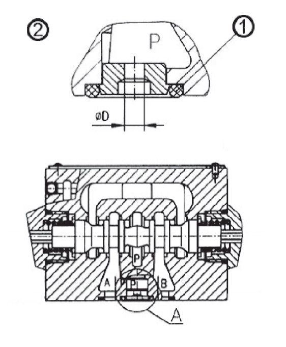
[9] Версия S: калиброванное отверстие порта P
Опция S включает элемент специальной формы, устанавливаемый в порт P электромагнитного клапана с калиброванным отверстием (различных размеров), которое может ограничивать, в зависимости от значения P, расход, поступающего в электромагнитный клапан.
Диаметр отверстий таких элементов:
- 3S-10 → D = 1 мм
- 3S-20 → D = 2 мм
- 3S-25 → D = 2,5 мм
Герметичность элементов в порте P клапана обеспечивается уплотнительным кольцом типа OR, 9,25[1,78 мм (например, OR 110-2037).
[10] Версия ZT: оцинкованные клапаны
Электромагнитные клапаны версии ZT оснащаются центральным корпусом с цинковым покрытием и обеспечиваются защитой от любых типов коррозии, возникающей в результате воздействия солевой среды или других агрессивных химикатов. Толщина слоя цинкового покрытия на корпусе клапана: 10-15 мкм.