Клапаны EVX-*-C5 представляют собой направляющие гидрораспределители в исполнении ATEX, картриджной конфигурации, тарельчатого типа.
[1] Описание
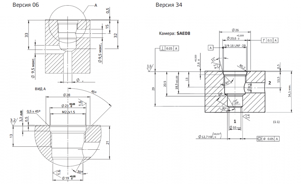
Они применяются с 2- линейный метрической камерой M22х1,5 или с камерой SAE 08. Клапан может оснащаться металлическими электромагнитами постоянного тока и переменного тока в исполнении ATEX. Катушка с покрытием цинк-никель для повышенной защиты поверхности (испытания в солевом тумане в течение 520 часов согласно стандарту ISO 9227). Защита в соответствии со стандартом IEC144: Класс IP67 – Внешние поверхности с покрытием цинк-никель (минимальная толщина слоя 7 микрон).
Соединение: кабель, провода с сечением 3,5 мм2 (CEI 20-22), длиной 1,5 м, подсоединенный к катушке. Электрическое соединение должно соответствовать нормам ATEX по взрывощащите. Заземляющее соединение и внутреннее (желто-зеленый провод кабеля), и внешнее посредством кабеля с минимальным сечением 4 мм2, закрепленного к заземляющему винту.
[2] Код для заказа
|
(1)
|
|
(2)
|
|
(3)
|
(4)
|
|
EVX
|
—
|
|
—
|
CS
|
|
1) EVX: Винтовой тарельчатый клапан с приводом от электромагнита во взрывозащищенном исполнении
(2) Размер
06: Метрическая камера M22х1,5 (см. 5)
34: SAE 08 3/4"- 16 UMF (см. 5)
(3) C5: 2- линейный
(4) Катушки:
012C: 12 B постоянного тока – 0,92 A
024C: 24 B постоянного тока – 0,46 A
115A: 115 B переменного тока – 0,10 A
230A: 230 B переменного тока – 0,05 A
[3] Типовые графики
Типовые кривые Δp-Q для клапанов EVX-*-C5 в стандартной конфигурации, с минеральным маслом при ѵ =26 сСт и 50°C.
Типовые кривые p-Q рабочих пределов для максимальной гидравлической мощности, передаваемой клапанами EVX-*-C5.
[4] Установочные размеры (мм)